EasyManua.ls Logo

Panasonic TH-42PV70H - Main Block Diagram

Panasonic TH-42PV70H
139 pages
To Next Page IconTo Next Page
To Next Page IconTo Next Page
To Previous Page IconTo Previous Page
To Previous Page IconTo Previous Page
Loading...
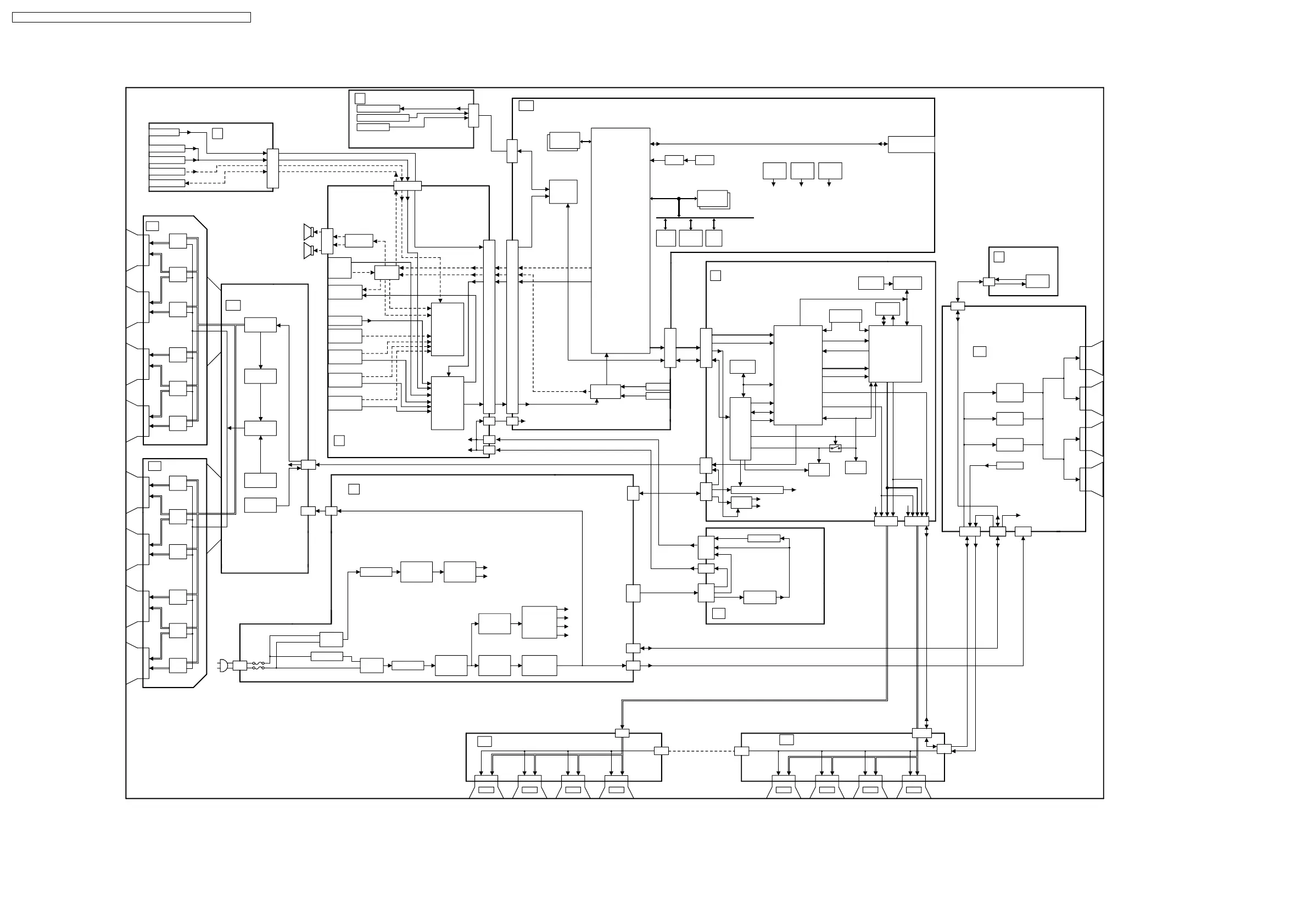
15.2. Main Block Diagram
64
VDA
VDA
5V
64
VOLTAGE
SC2
PA 3
+15V
64
VIDEO IN
D32
12V
DG6
+15V
D
VOLTAGE
PROTECTION(SOS)
POWER SUPPLY
DC/DC
ADDRESS
SCAN DRIVE
S.R
SUSTAIN
SD
S.R
AV4 IN
VSUS
DG5
CONVERTER
PA 5
S.R
64
64
+5V
VOLTAGE
S.R
POWER LED
AV4 IN
AUDIO IN
POWER
ERASE
S.R
P25
RECTIFIER
CONTROL
P2
VOLTAGE
PROCESS
SCAN OUT
64
VSUS
G
SUSTAIN
SC
+15V
PULSE
64
P
STBY5V_M
S.R
SCAN OUT
VOLTAGE
K
REMOTE/LED
64
SS12
PLASMA AI PROCESSOR
CONTROL
STB5V
POWER SOS
SUSTAIN
P11
K1
DG1
S-VIDEO IN
VOLTAGE
RECTIFIER
S.R
STB12V
SS
CONTROL
FACTOR
SS_SOS8
VSUS
P9
S.R
CONTROL
PULSE
D5
SOS1
P5
PULSE
SCAN
PROCESS
SUSTAIN
STANDBYSTANDBY
64
SU
CONTROL
SUSTAIN DRIVE
SOS2
AC CORD
64
SS11
VOLTAGE
REMOTE RECEIVER
S.R
VOLTAGE
(VE)
S.R
RECTIFIER
PULSE
PULSE
64
S.R
STB5V
SS23
15V
64
S.R
RECTIFIER
D31
FORMAT CONVERTER,
GENERATOR
L/R
L/R
INPUT
AUDIO
VIDEO
AV1
OUT
DC POWER
H
SELECT
L/R
AV2
AV SWITCH,MSP
INPUT
L/R
MONITOR
MSP
AUDIO
TUNER
H6
PC IN
R,G,B
AV3
IN
H51
SIF
AV TERMINAL,
L/R
H4
L/R
SELECT
TV-V
Peaks-Lite 2
DG
DIGITAL SIGNAL PROCESSOR
TV_L/R
HEADPHONE
HP_L/R
AI SENSOR
RECTIFIER
FILTER
RELAY
LINE
FILTER
LINE
PS_SOS
POWER SW
STB12V
STB12V
S
STB_PS
Vda
P12
STB_PS/
SWITCH
SS34
S1
+15V
POWER
STB12V
STB_PS
Vda 75V
DATA DRIVER(RIGHT)
S.R.
C1
DATA DRIVER(LEFT)
VDA
S.R.
C21
S.R.S.R.
C10 C20
S.R.
C23
C2
S.R.S.R.S.R.
C11
PA
DC-DC CONVERTER
LVDS format
*CLK
*RGB:10bit(or8bit)
*VD,HD
DISPEN
FPGA
*Discharge Control
*H,V Snyc Control
*LVDS receiver
PD1-M plus
*Sub Filed Processor
*Plasma AI
CLOCK
GENERATOR
RESET IC
16/32Mbit
Flash-ROM
(4MByte)
PROM
128Mbit
DDR
EEPROM
32k
THERMAL
SENSOR
P_ON/OFF
DC/DC CONVERTER
P3.3V
P1.2V
P2.5V
MICOM
P5V
P5V
PCLK/NCLK
Discharge
Control(SS)
Data Driver
Control
DRVRST
DCLK
ASDIO
D ATA0
DCK
LATCH,SFVRST,SFRST
FCLK,FPDATA[1:0]
R[9:0]
B[9:0],HD,VD
G[9:0]
Discharge
Control(SC)
OSD
REG
RESET
STB3.3V
RESET
PA 4
KEY SCAN
XRST
IIC2
WRITE PROTECT
FLASH CONTROL
F_STBY_15V
DC POWER
H3
H2 DG2
SPEAKER
L
AMP
H12
R
DDR2x2
BOOT
ROM
NOR
FLASH
D-LATCH
MEM
VCXO X'tal
[27MHz]
DC/DC
3.3V
DC/DC
1.8V
DC/DC
1.2V
G51
MAIN
MCU
KEY SW
SD CARD SLOT
ADV/HDMI
HDMI 2
HDMI 1
+15V
SC20
D25
D20
L
SPEAKER
SPEAKER
R
V, Y, PB , P R
V, Y, C
V, Y, PB , P R
TH-42PV70AZ/H/M/MR/MT
Main Block Diagram
TH-42PV70AZ/H/M/MR/MT
Main Block Diagram
TH-42PV70AZ / TH-42PV70H / TH-42PV70M / TH-42PV70MR / TH-42PV70MT
58

Table of Contents

Related product manuals