EasyManua.ls Logo

Panasonic TH-42PV70H

Panasonic TH-42PV70H
139 pages
To Next Page IconTo Next Page
To Next Page IconTo Next Page
To Previous Page IconTo Previous Page
To Previous Page IconTo Previous Page
Loading...
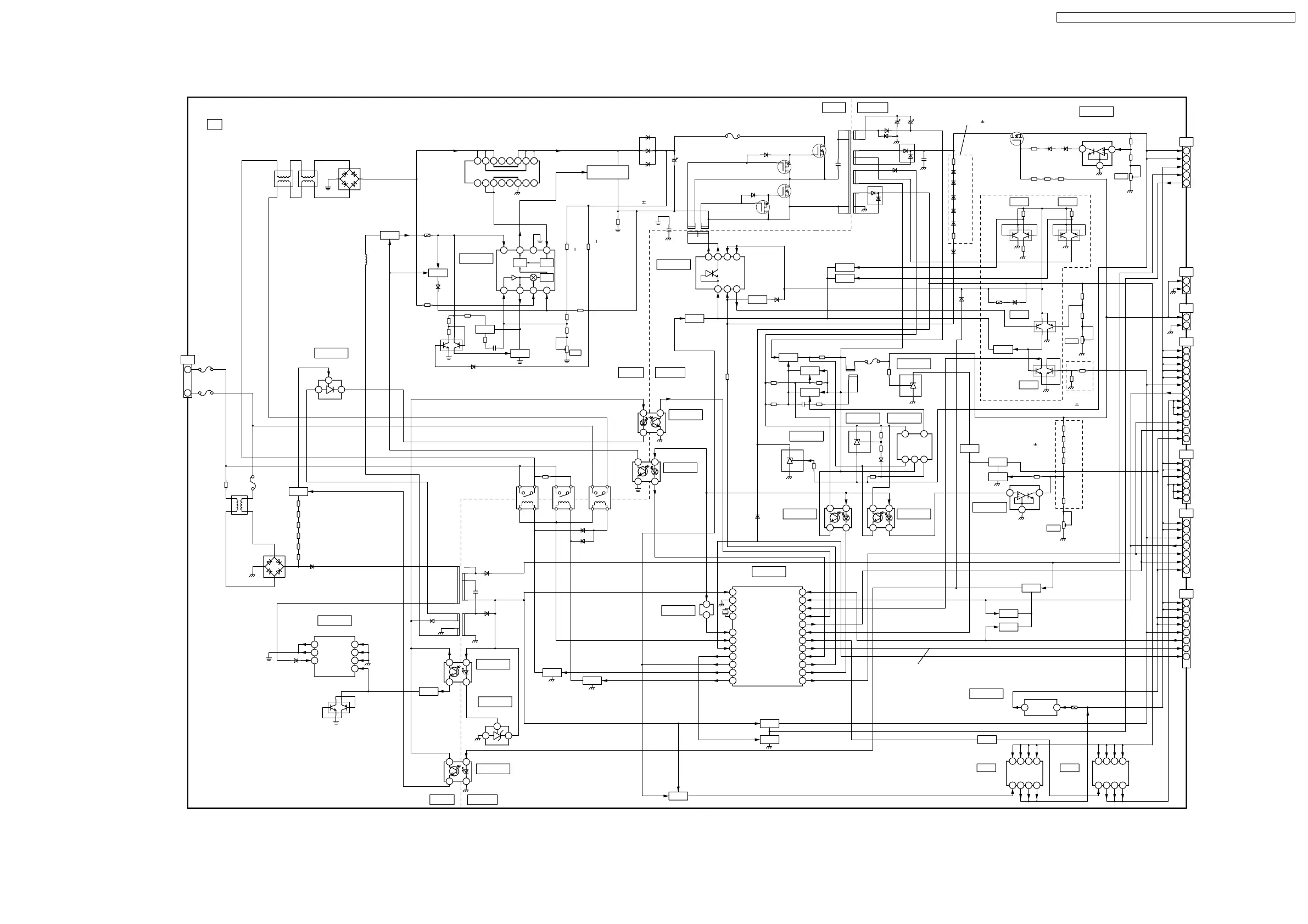
15.3. P-Board Block Diagram
+
-+
-+
REF
KA
REF
KA
REF
KA
D509
X501
4NHz
R661
1
2
3
R665
1
2
3
Q408
Q412
D417
D420
D419
C469
C555
D404
D416
D435
D401
D511
R628
Q527
Q413
Q409
R443
1
2
3
1
2
IC408
4
2
1
3
1
3
4
2
IC403
87
10
2
T401
5876
VCC
MOS
DRIVE
CURR
DET
CURR
COMP
2134
Q420
Q404,Q406
R405,D415
IC406
PFC
8
6
10
7
9
2
3
4
1
15
19
24
18
22
23
16
17
21
20
VDD
VSS
XIN
XOUT
RESET
STB PS
Vdat_GO_L
STB 5
ON/OFF
LOW 15
PANEL_
MAIN_ON
AC_DET/
F STB H
V LOW DET
AC_P_DET
(FAIL:H)
AC_GO_L
VSUS DET
F_15V_ON/OFF
SOS4_PS
PFC ON/OFF
V LOW ON/OFF
IC501
1
2
IC502
RESET
6
4
1
4
Vdat
P12
+15V
NO
1
2
4
USE
NO
USE
P5
3
5
10
6
+5Vc
TO
STBY5V
5
P25
D25
+5Vc
9
POWER MCU
COLD
COLD
HOT
10
STB_PS
Vda75V
8
STB12V
Q509
12
11
13
2
+15Vc
1
3
HOT
POWER SUPPLY
4
Vdat
Q508
10
9
13
14
12
MAIN RELAY(H)
RUSH RELAY(H)
VSUS
ON/OFF
ALL OFF
11
VDATA_DET
SOS4_PS
PANEL_MAIN_ON
IC520
PR401
F401
F402
1
4
NEUTRAL
RL402
RL403
2
4
IC412
1
3
5
13
11
10
14
9
7
SS12
TO
T410
T404
D540
LIVE
P9
2
POWER
COLDHOT
AC CORD
TO
VlOW DET
VlOW DET
Vsus 192V
Vlow
Vlow
OSC
395V
Q501
Q502
Q525
ERROR DET
IC506
ON:L
2
Vdat
73V
D569
D570
D571
R670
Q541
R650
R649
5V OUT
DETECTION
COUPLER
PHOTO
CONTROL
D579
R579
D549
IC401
COUPLER
(3V 1.0V)
OVER
VOLTAGE
PROTECTION
(490V
80V)
COUPLER
PHOTO
PHOTO
COUPLER
PHOTO
R441
D441
4
OSC
L405L404
R413
L410
R407
R427
R435
Q434
IC409
IPD
8
Source
Source
7
1
2
Drain
53
3
14
6
11
C446
Q402
L403
Q401
D407
R455
(AC DET)
RESET
1
23
ECO
R411
7
3
21
IC504
12
15
Q521
Q569
Q537
1
S
2
SG
34
S
8756
DDDD
6
4
S
85
S
3
DDD
7
G
12
S
D
Q555 Q556
DC/DC CONV. DC/DC CONV.
Q524
OUT
21
Vcc
PR505
ERROR DET
(Vda)
IC512
D544 D545
DC-DC CONV.
IC510
Q566
13
46
12
2
PHOTO
COUPLER
3
41
2
IC507
31
2
(Vsus)
K
A
Vsus
R622
R648
R636
R626
R627
OUT
DETECTION
(60V
40V)
VOLTAGE
243
95610
T402
R631R674
3
1
2
K
A
D572
POWER
CIRCUIT
F_5A_250V
OSC
OSC
D531
8
7
D506
1
5
2
D536
Q563
Q554
Vdat OVER VOLTAGE
DETECTION(100V
25V)
Q520 Q517
+15Vc
P
ERROR DET
IC411
ERROR DET
SW
SW
RECTIFIER
RECTIFIER
5V
(Vlow)
STB_12V
STB5V ON/OFF
STB5V
(15V) (F STB 5V)
INV.
12V ON/OFF
BUFF
D602
3
15V
250V 8A
250V 8A
LINE FILTER
451
12 139
PR402
PFC
R444
R442
R445
R447
R470
340kx6
R480
R479
R472
R475
27.4kx6
Q422
Q407
D418
AK
Vref
LINE
FILTER
Q411
RL401
R420
R410
R415
250V
T630mA
F403
4
Source
Source
Source
Q410
PR509
1615
D539
R676
Control
Q540
Q507
Q510
Q536
RELAY
ON
RUSH
ON
RELAY
MAIN
ON:H
D522
D523
ON
IC513
7
10
23
PR601
T601
Vda DET
Vref
IC508
180k
x4
213
54
IC509IC511
TO
1
Vsus
P11
P2
Vsus
SS11
3
SC2
TO
GND
GND
1
3
7
PA 5
TO
P6
3
8
9
1
+15Vs(S)
2
F_STBY
+15Vs(S)
+15Vs(S)
F_STBY
F_STBY
+15Vc
+15Vs(S)
+15Vs(S)
STBY5V
+15Vc
+15Vs(S)
13
F_STB
F_STB
F_STB
12
15
17
F_STBY_ON
16
ALL_OFF
18
AC_GOOD
+5Vc
20
+15Vc
+15Vc
STBY5V
ALL_OFF
AC_GOOD
1
8
F_STBY_ON
5
P7
9
2
6
+5Vc
10
Q564
BUFF
BUFF
Q565
Q535
PHOTO
COUPLER
3
41
2
IC505
D701
D535
Q530
Q553
0.1
+
-
P_OUT
P_OUT
VDD2
VDD1
Vref
5V
CRT_ON
FB
(PFC_ON/OFF)
RCC CONV.
(100KHz)
(120-145KHz)
CONVERTER
RESONANCE
ON:L
ON:L
ON:H
ON:L
GO:L
1615
ON:H
11
12
15
16
D521
POWER SOS
LED BLINKING : 4TIMES
TH-42PV70AZ/H/M/MR/MT
P-Board Block Diagram
TH-42PV70AZ/H/M/MR/MT
P-Board Block Diagram
TH-42PV70AZ / TH-42PV70H / TH-42PV70M / TH-42PV70MR / TH-42PV70MT
59

Table of Contents

Related product manuals