EasyManua.ls Logo

Panasonic TH-42PV70H

Panasonic TH-42PV70H
139 pages
To Next Page IconTo Next Page
To Next Page IconTo Next Page
To Previous Page IconTo Previous Page
To Previous Page IconTo Previous Page
Loading...
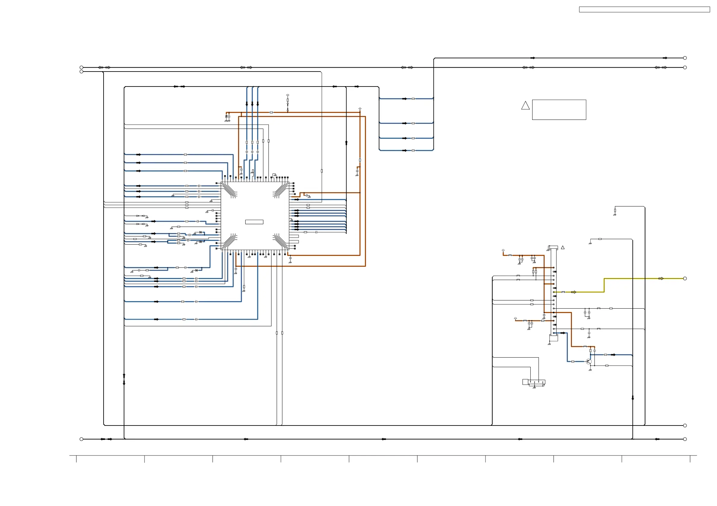
15.15. H-Board (2 of 5) Schematic Diagram
+
+
+
+
+
+
+
RGB_CVBSMAIN_RGB_CVBS_OUT
AV2C_Y
AV2C_PB
AV2C_PR
MAIN_RF_CVBS
MAIN_RF_GND
PC_H
PC_V
SUB_PB_OUT
AV4_VGND
AV4_YGND
AV3C_PB
PC_G
PC_R
PC_B
AV4_V
AV4_Y
AV4_S
AV4_CGND
SUB_Y_OUT
MAIN_RGB_CVBS_OUT
MAIN_Y_OUT
MAIN_PB_OUT
MAIN_PR_OUT
SUB_PR_OUT
VIDEO_STATUS
SDA0B_5V
AGC1
SIF1
AFC1
AV1_Y
AV2_V
AV3_V
AV3C_Y
AV3C_PR
SUB_RF_GND
AV1_V
AV1_S
AV1_C
AV3C_YSW
AV2C_YSW
SDA0B_5V
SCL0B_5V
MAIN_TNR_SW1
MAIN_TNR_SW2
AGC2
AGC1
MAIN_RF_CVBS
MAIN_RF_GND
SUB_RF_GND
AFC2
MAIN_Y/CBVS/GMAIN_Y_OUT
MAIN_PB/C/BMAIN_PB_OUT
MAIN_PR/RMAIN_PR_OUT
SCL0B_5V
MAIN_TNR_SW1
MAIN_TNR_SW2
PC_H_IN
PC_V_IN
VOUT_FEED_B
VOUT
AV4_C
HV/FB_CONT
*R3063
220
*L3208
J0JCC0000241
*D3042
MAZ81400ML
C3275
16V
0.1u
R3140
47
*R3348
68
R3168
220
R3044
0
*D3043
MAZ81400ML
R3074
220
R3089
330
L3209
J0JGC0000021
R3087
220
C3118
16V
47u
C3103
16V
10u
C3279
16V
0.1u
*H15
K1KA04AA0150
1
2
3
4
C3053
10V
1u
100
R3180
C3051
10V
1u
*D3041
MAZ81400ML
DTV9V
C3054
10V
1u
C3272
50V
0.1u
*R3062
220
C3052
10V
1u
C3056
10V
1u
R3249
1.5k
L3207
J0JCC0000241
*R3073
220
R3244
0
R3133
22
C3116
50V
0.1u
*R3174
68
R3266
1.5k
*C3027
10V
1u
JS3032
C3117
50V
0.1u
AN15876A-VT
IC3001
1
V4
2
S12
3
Y4
4
S22
5
C4
6
VCC2
7
LP5
8
V3
9
O3
10
Y3
11
GND2
12
C3
13
LP4
14
V2
15
S11
16
Y2
17
S21
18
C2
19
LP3
20
V1
21
O2
22
Y1
23
O1
24
C1
25
VCC3
26
VOUT6
27
DCOUT
28
VOUT5FB
29
VOUT5
30
VOUT4FB
31
VOUT4
32
VOUT3FB
33
VOUT3
34
OUT2(Pr)
35
OUT2(Pb)
36
OUT2(CY)
37
GND3
38
OUT1(Pr)
39
OUT1(Pb)
40
OUT1(CY)
41
VOUT
42
HOUT
43
HVOE
44
VOUT7
45
VCC4
46
FBLOUT
47
FBL3
48
FBL2
49
FBL1
50
FBLOE
51
G1
52
VIN1
53
B1
54
HIN1
55
R1
56
GND4
57
G2
58
VIN2
59
B2
60
HIN2
61
R2
62
NC
63
G3
64
TEST
65
B3
66
NC
67
R3
68
NC
69
VCC1
70
NC
71
G4
72
LP1
73
B4
74
L31
75
R4
76
NC
77
G5
78
LP2
79
B5
80
L32
81
R5
82
GND1
83
SDA
84
SCL
85
FLAG
86
BIAS
87
V9
88
NC
89
V8
90
NC
91
V7
92
O4
93
V6
94
LP7
95
V5
96
S13
97
Y5
98
S23
99
C5
100
LP6
C3115
50V
0.1u
SUB5V
*TU3200
ENGF9701GF
BB
5
NC
6
SW1
7
SW2
8
+B
9
AUDIO_OUT
10
SIF_OUT
11
NC
12
SCL
13
SDA
14
RF_AGC
15
VB
16
NC
17
BTL
18
NC
19
AFT_OUT
20
VIDEO_OUT
21
R3065
220
R3111
22
R3069
220
SUB9V_VIDEO
R3205
0
C3055
10V
1u
*R3068
75
1%
C3078
6.3V
22u
*C3081
6.3V
100u
*R3072
220
R3247
220
*R3176
68
R3222
0
R3123
47
*C3274
16V
0.1u
D3044
B0BC01100001
R3240
560
1%
R3097
68
1%
R3137
100
L3211
J0JGC0000021
C3276
16V
0.1u
R3059
220
R3110
0
C3033
10V
1u
R3099
68
C3281
16V
0.1u
C3280
50V
100p
1%
*R3233
75
C3024
10V
1u
R3239
220
JS3024
*R3216
0
JS3208
ERJ3GEY0R00V
C3040
50V
0.1u
C3026
50V
0.1u
R3109
0
L3206
J0JCC0000241
C3021
10V
1u
Q3200
2SA207700L
R3191
22
R3045
0
R3101
68
C3271
10u
16V
*C3028
10V
1u
*C3031
50V
0.1u
R3064
220
R3103
0
R3246
0
*R3206
100
R3096
68
*R3302
100
C3270
6.3V
1000u
*R3349
68
R3202
0
C3043
10V
1u
1%
*R3234
75
*R3175
68
R3100
68
L3226
J0JCC0000241
*C3029
16V
1u
BT30V
C3023
10V
1u
C3273
10u
50V
JS3023
R3090
22
*R3305
100
R3098
68
R3243
270
L3225
J0JCC0000241
R3121
47
C3075
16V
220u
*R3102
0
*R3104
0
*R3268
47k
Video SW
11 1814 15 161210 1713
1
2
3
13
15
14
11
12
!
TH-42PV70AZ/H/M/MR/MT
H-Board (2 of 5) Schematic Diagram
TH-42PV70AZ/H/M/MR/MT
H-Board (2 of 5) Schematic Diagram
H-BOARD (2/5)
TXN/H1HNTP
!
TH-42PV70AZ / TH-42PV70H / TH-42PV70M / TH-42PV70MR / TH-42PV70MT
71

Table of Contents

Related product manuals