EasyManua.ls Logo

Panasonic TH-42PV70H

Panasonic TH-42PV70H
139 pages
To Next Page IconTo Next Page
To Next Page IconTo Next Page
To Previous Page IconTo Previous Page
To Previous Page IconTo Previous Page
Loading...
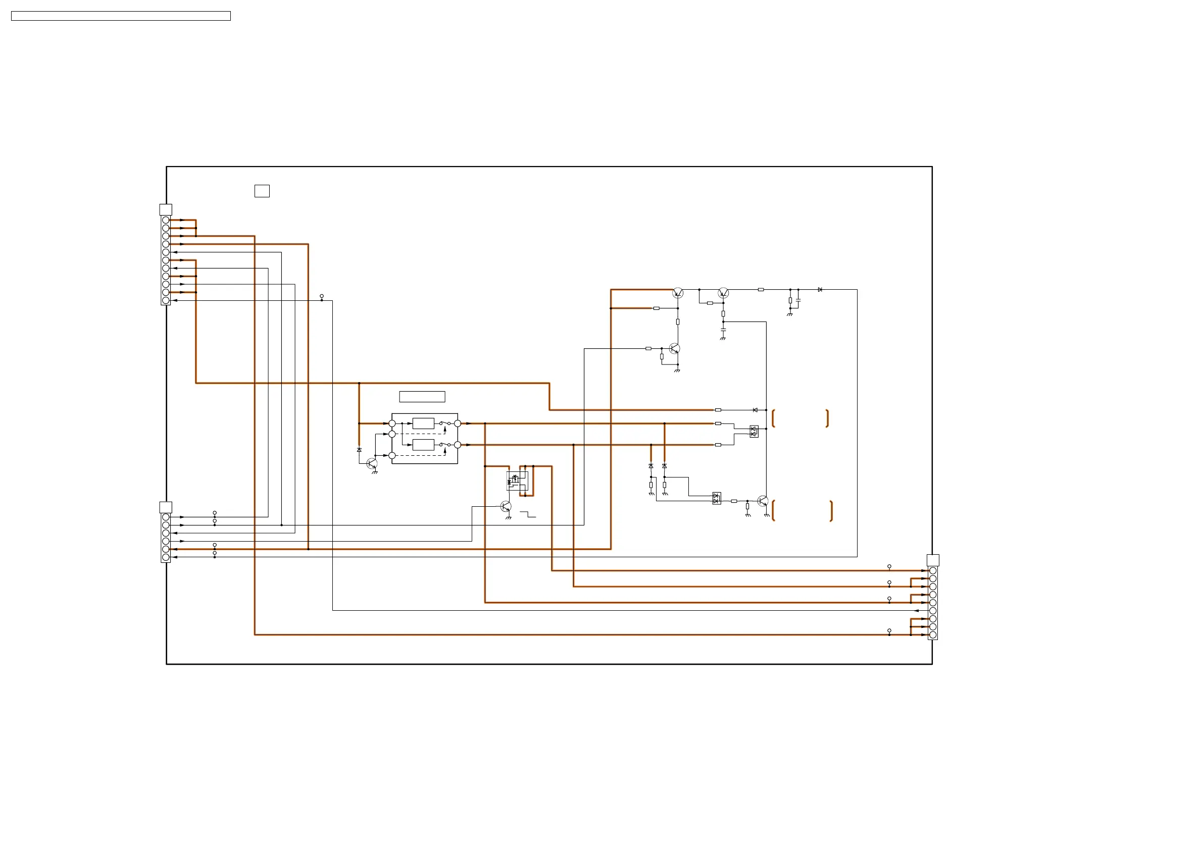
15.10. PA-Board Block Diagram
TPS0S
TPST5
TPAC1
R5533
D5530
R5534
Q5562
R5532
R5536
R5531
R5535
R5537
Q5521
R5538
Q5523
Q5522
C5521
C5522
Q5561
D5528
D5521
R5540
D5529
R5544
R5542
D5526
R5549
D5522
R5548
Q5524
R5546
R5547
TPM9V
TPS15V
TPS5V
TPS9V
TPEC0
TPS0N
Q5501
D5501
OVER VOLTAGE DET
SUB+5V
SUB+9V
(+6.8V)
(+12V)
SUB+5V/SUB+9V
SHORT DET
F STB+15V
(+10V)
+15Vs(S)
STBY_5V
F_STBY_15V
F_STBY_15V
ECO_ON
ALL_OFF
F_STBY_15V
AC_GOOD
+15Vs(S)
+15Vs(S)
18
16
14
12
TUNER_SUB_ON
17
15
13
10
5
3
1
SUB+5V/SUB+9V
TV_ON OFF
MAIN9V
SUB9V
SUB9V
SUB5V
23
22
21
+15V_S
+15V_S
AC_GOOD
TO H3
18
+15V_S
PA 3
7
1
3
6
2
SUB5V
PA 5
TUNER_SUB_ON
PA 4
TUNER_SUB_ON
23
ALL_OFF
SOS
STB5V
TUNER_MAIN_ON
ECO_ON
TO H4
11
21
16
17
18
SUB+9V
SUB+5V
9
3
13
15
1
IC5550
SOS DET
ERROR DET
MAIN+9V
F STB+15V DET
SUB+9V DET
SUB+5V DET
TO P5
PA
DC-DC CONVERTER
TH-42PV70AZ/H/M/MR/MT
PA-Board Block Diagram
TH-42PV70AZ/H/M/MR/MT
PA-Board Block Diagram
TH-42PV70AZ / TH-42PV70H / TH-42PV70M / TH-42PV70MR / TH-42PV70MT
66

Table of Contents

Related product manuals