EasyManua.ls Logo

Panasonic TH-50PC77U - 6 Plasma Panel Replacement Method; Initial Component Removal

Panasonic TH-50PC77U
112 pages
Print Icon
To Next Page IconTo Next Page
To Next Page IconTo Next Page
To Previous Page IconTo Previous Page
To Previous Page IconTo Previous Page
Loading...
6.1. Remove the rear cover
1. See Service Hint (Section 5)
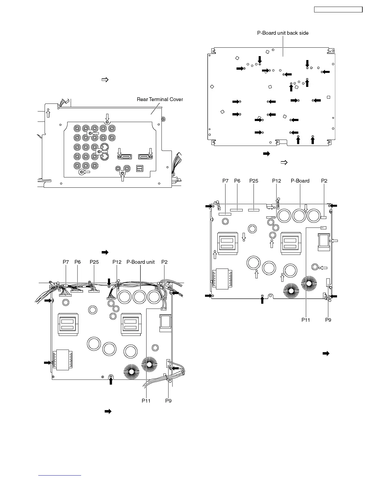
6.2. Remove the rear terminal
cover
1. Remove the screws (×8 ).
2. Remove the rear terminal cover.
6.3. Remove the P-Board
Caution:
To remove P.C.B. wait 1 minute after power was off for
discharge from electrolysis capacitors.
1. Disconnect the connectors (P2, P6, P7, P9, P11, P12 and
P25).
2. Remove the screws (×6
) and remove the P-Board unit.
3. Remove the screws (×20 ) on the back side.
4. Remove the screws (×5 ).
5. Remove the molding props (×9
).
6. Remove the P-Board.
Note:
When assembling the P-Board, the position of each hole of
the insulation sheets (A and B) is set to the position of each
hole of the P-Board, then assemble them. (
marks
indicate setting positions.)
6 Plasma panel replacement method
9
TH-50PX77U / TH-50PE77U

Table of Contents

Related product manuals