EasyManua.ls Logo

Panasonic TH-50PC77U - P-Board Block Diagram

Panasonic TH-50PC77U
112 pages
Print Icon
To Next Page IconTo Next Page
To Next Page IconTo Next Page
To Previous Page IconTo Previous Page
To Previous Page IconTo Previous Page
Loading...
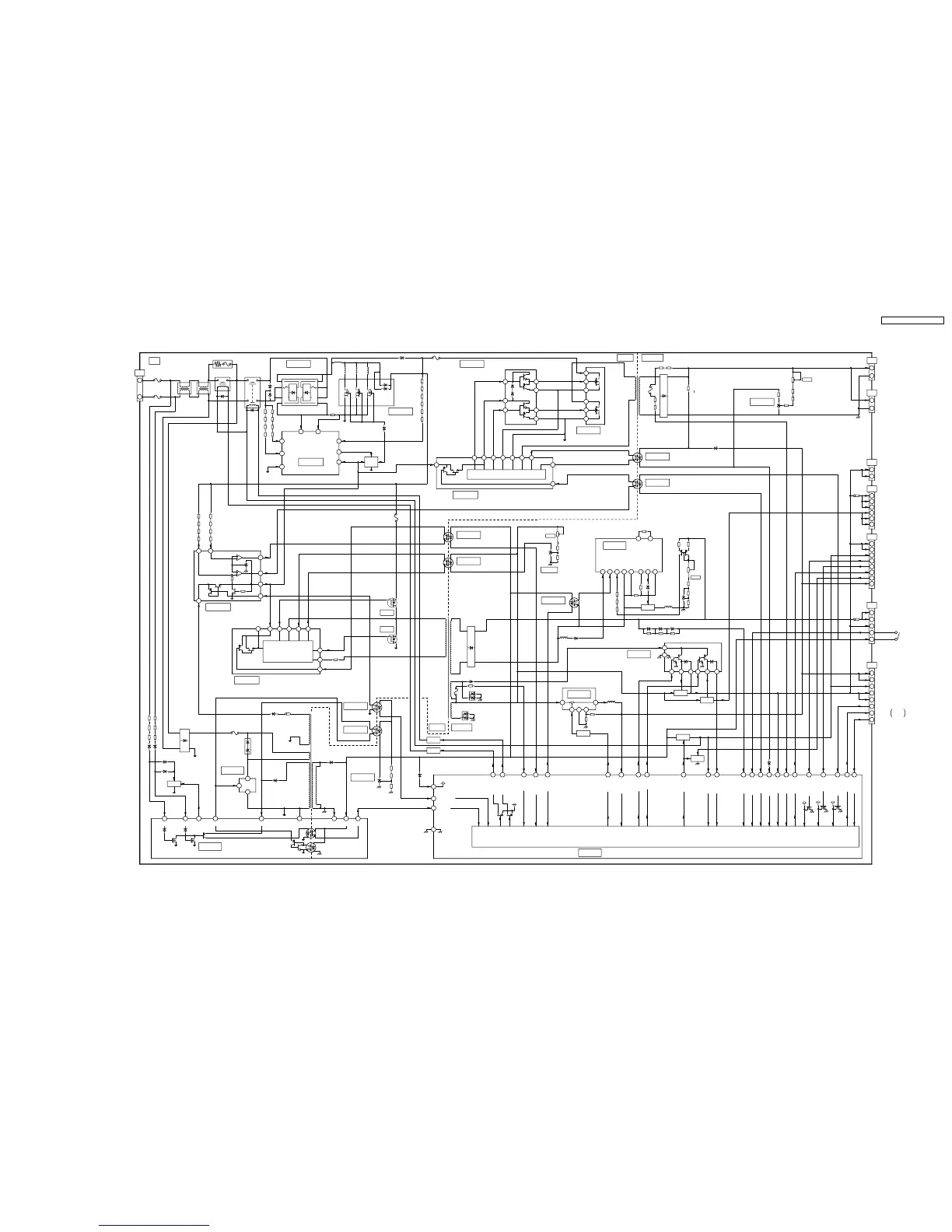
15.3. P-Board Block Diagram
VDDVDD
VDD
VDD
VDD
1920
FVc
3
GND
GATE
VCC
2
MC601
P23
VR251
2
L602
K601
PANEL_ON
TO A6
VSUS
1
AC IN
Q602
Q603
VSUS
258
15Vd
11
L=OK
VDA
12
VDA
3
H=SOS
2
1
P12
15Vd
MAIN_SW
15Vd
1
NO USE
TO SS12
15Vs
8
6
1
11
B1
4
5
4
7
8
P25
4
GND
9
B4
NEUTRAL
+5VC
7
+5VC
TO D25
AC+
TO SC2
6
AC-
VSUS
15Vc
P2
MC602
LIVE
2
STBY5V
3
RECTIFIER
9
1
P9
1
2
MC501
P11
12
3
PS_SOS
3
1
GND
TO SS11
RF601 3A
COLD
HOT
COLDHOT
P
POWER SUPPLY
RLY_RUSH
PFC MODULE
PFC MODULE
POWER CONTROL
Vsus POWER SUPPLY
P1
P2
S1
F601
F602
50/60Hz
100-120V
L601
AC-
AC+
D501
PG-
STB
RECTIFIER
(STB)
B2
L502D505
2
43
GND_OCLOCL
10
11
BIAS_G
S+
17
VIN
AKD3D2
L603
D605
D1
G1S1 G2S2 G3S3
PFC
F201
MC203
P1A
P2A
PC302
18
AC DETVoGND
6
D506
GNDVBias
PG_STB
P2
P1
BIAS GND
T501
S1B
S1A
S2B
S2A
D551
D353
S5
S4B
S3
S4A
D352
15Vc
10
STB_PS
MAIN
SW
PFC_ON/OFF
PC301
S6
9
FVc
FVc
15Vs
15Vs
13
Vda_Low(Vda_DET)
Q302
BIAS
Q301
Vsus 180V
K602
3
2
F301
B3
3
AC_N
4
7
D504
IC501
F501
MODULE
5
5
AC_L DISCHG
<Exchange board only>
D252
<Exchange board only>
<Exchange board only>
6
7
3
5
1
89
PFC
SUS
PFC
MULTI ON
MULTI
SUS
ON
BIAS
OUT
ON/OFFBIAS IN
Q501
PG
D502
D503
AC
4
1
AC+
ACAC-
+
-
+
-
8
7
6
5
<Exchange
board only>
6
PG
10
(VDET)
AC_ON
(PFC_ON)
(IDET)
PFC/BIAS CONTROL MODULE
<Exchange board only>
MC502
BIAS1 ON
PC501
STB5V
PC502
7
CONTROL
4
BIAS
112
GH
2
SH
7
Vref PC
8
9
6
GH SH Vref IRS
GL
I+
GL
I+
13
ON/OFF
14
VDD
VDD
Vda POWER CONTROL MODULE
<Exchange board only>
MC301
13
2
BIAS
MC201
SH I+ IRS
ON/OFF
VDD
Vsus POWER CONTROL 1
14
12
VDD SH
<Exchange board only>
I+
9
8
PC
1
GH
GH
7
Vref
Vref
6
GL
GL
5
P
SL
GND
G
S
D
4
6
5
2
1
3
D
G
S
9
10
3
21
7
8
Vsus
POWER CONTROL 2
MC202
MULTI_ON/OFF
SUS ON
PC202
PC201
SUS STOP
S1A
S2A
AC+
AC-
STB5V DET
IC551
F_STB_ON
PS_SOS
POWER MCU MODULE
P16 P42P01 P41 P17 P15
POWER MCU
3
MC701
27
15V_IN
<exchange board only>
P22P00
28
MULTI_ON
29
Vda_ON
5VC_ON
18
Vda_LOW
19
P34
112
P13
5VC_OUT
P30 P12
15
15V_ON
13
STB_ON
20
P10 P32
STB_OUT
SUS_OUT
9
Vda_OUT
11 48 10
SUS_ON
P21 P40
BIAS1 ON
30
SUS_STOP
516
P45 P31
PANEL_ON
15V_OUT
ALL_OFF
(H=LOW)
(H=SOS)
(L=ON)
ECO_ON
(L=ON)
31
P20
(L=ON)
7
SW_MAIN1
P35
(AIN1)
(L=STOP)
(L=ON)
(AIN5)
(AIN2)
6
P36
FV_OUT(AIN6)
P33
(AIN3)
(H=ON)
P11
14
FV_ON
(L=ON)
(AIN4)
P05
RLY_MAIN
23
P06
22
RLY_RUSH
STB_IN
32
(VDD)
AC_DET
21
(L=ON)
(L=ON)
(L=ON)
P07
(L=ON)
33
D702
Q701
Q702
R256
R257
R280
R285
AC+
AC-
D251
RECTIFIER
D401
RECTIFIER
14
VIN
REM
13
FB
46
SG
PG
8
OCL
59
Vou t
12
GND
VR401
Vda
P6
Q401
L402
MC401
<exchange board only>
Vda CONTROL MODULE
11 10
VCC1 VCC2
Q403Q402
674895
2
1
ZD403 ZD404 ZD405
L401 D402
Vda_ON/OFF
PC401
TO A7
STBY5V
15Vs
5
6
7
1
P7
8
F_STBY_ON
ECO_ON
2
ALL_OFF
15Vs
STBY5V_SW
5Vc
9
10
Q351
Q352
15Vc ON/OFF
FV ON/OFF
PFC
VR351
x8
270k
534
21
IC451
Q451
IC351
L451
MC351
<exchange
board only>
15V/FV ON/OFF
Q551
Q704
PG
STB_IN
RLY_MAIN
<Exchange
board only>
MC603
<Exchange board only>
T301
T201
VCC
GATE_H
SOURCE_H
GATE_L
SOURCE_L
GH_IN
VDD
GL_IN
(L=ON)
(L=ON)
(H=ON)
(H=ON)
(AIN0)
Vou t
ON/OFF
IC401
IC251
VSUS DET
D351
IPD
AC_L
TH-50PX77U/PE77U
P-Board Block Diagram
TH-50PX77U/PE77U
P-Board Block Diagram
TH-50PX77U / TH-50PE77U
59

Table of Contents

Related product manuals