EasyManua.ls Logo

Panasonic TH-50PC77U - SS-Board (1 of 2) Schematic Diagram

Panasonic TH-50PC77U
112 pages
Print Icon
To Next Page IconTo Next Page
To Next Page IconTo Next Page
To Previous Page IconTo Previous Page
To Previous Page IconTo Previous Page
Loading...
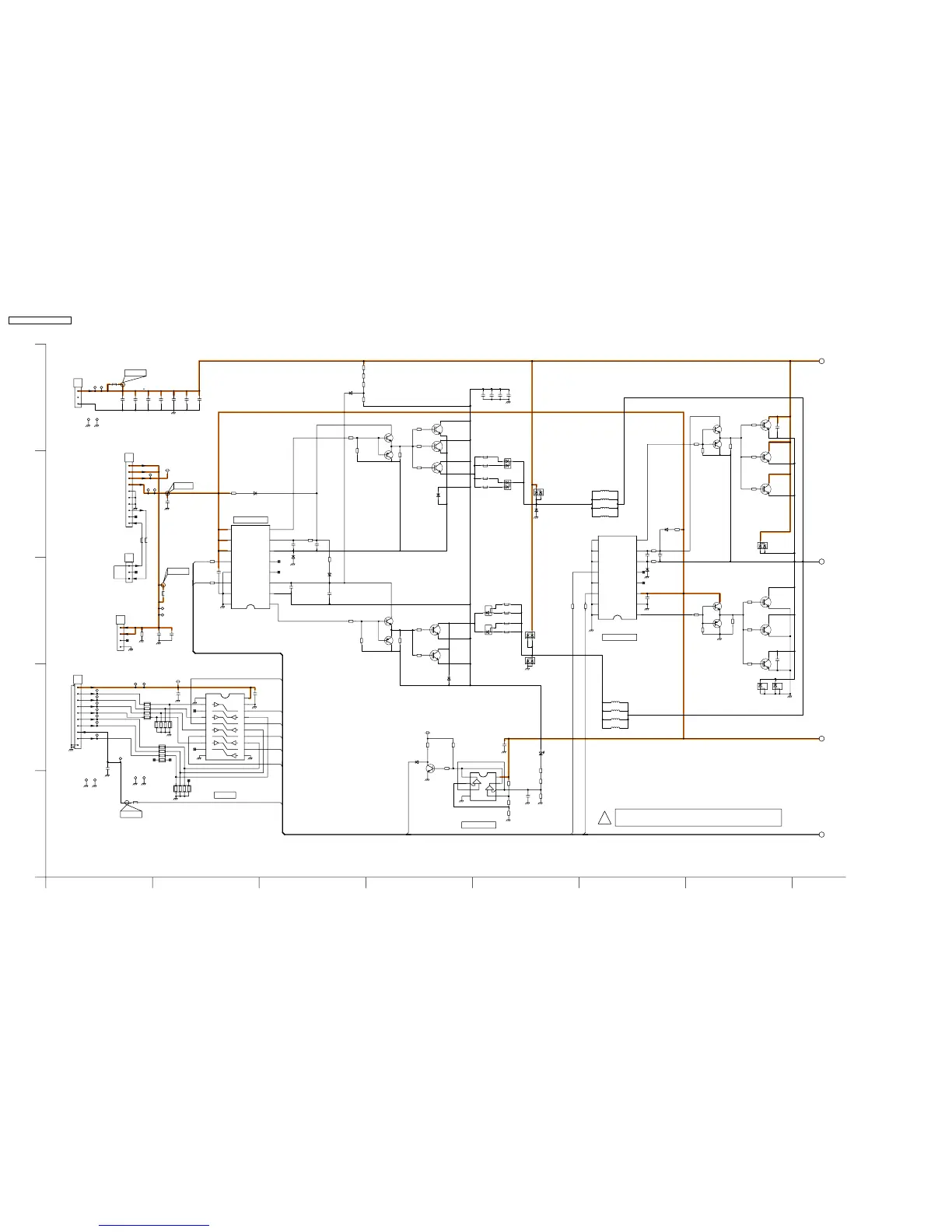
15.48. SS-Board (1 of 2) Schematic Diagram
+
+
+
+
+
+
+
+
+
+
AA_SOS8
AA_UEH
AA_USL
AA_UEL
AA_USH
AA_UML
AA_UMH
AA_USH
AA_USL
AA_UML
AA_UMH
AA_SOS8
5V
Q6002
2PG0010000RP
R6244
EXB38V472JV
D6061
B0HBSN000008
Q6146
B1ABPF000014
D6082
MA3DF30000LZ
C6243
50V
0.01u
C6001
630V
5600p
C6134
25V
4.7u
R6252
39k
R6005
7.5
C6013
220V
200u
R6160
1
C6154
25V
4.7u
R6131
100
R6255
1.2k
R6241
EXB38V470JV
C6203
250V
4u
C6242
16V
1u
R6142
47k
C6135
25V
4.7u
R6055
7.5
R6146
47k
L6083
J0JKB0000049
Q6042
2PG0010000RP
TP20
D6071
B0HBSN000008
R6210
2.2k
Q6251
2SD0601A0L
R6173
47k
TP5
Q6181
B1ABRD000003
SS11
1
3
C6031
250V
4u
C6015
220V
200u
D6091
B0HBSN000008
TP19
TP21
C6251
16V
1u
Q6142
B1ADPF000004
R6242
EXB38V472JV
L6084
J0JKB0000049
IC6251
C0BBBA000022
1
2
3
45
6
7
8
R6183
47k
R6053
7.5
R6157
1
TP9
Q6052
2PG0010000RP
R6132
100
Q6053
2PG0010000RP
TP3
TP10
C6011
220V
200u
L6010
J0JJC0000015
C6014
220V
200u
5V
L6003
G0C1R6KA0119
L6082
J0JKB0000049
R6261
100k
D6025
B0ECKP000047
L6241
L6014
G0C1R6KA0119
D6152
B0ECKP000047
C6202
250V
4u
L6061
J0JKB0000049
D6132
B0ECKP000047
D6024
B0ECKP000047
R6141
47k
Q6043
2PG0010000RP
L6064
J0JKB0000049
Q6141
B1ABPF000014
TP13
R6045
7.5
5V
R6254
8.2k
D6092
B0ECKP000047
TP1
Q6031
B1ADRD000001
C6201
250V
4u
R6159
1
R6182
47k
Q6041
2PG0010000RP
L6081
J0JKB0000049
D6001
B0HBSN000008
R6003
7.5
Q6003
2PG0010000RP
L6000
J0JJC0000015
TP15
Q6021
2PG0010000RP
C6151
25V
1u
TP22
L6271
G0ZZ00002183
R6135
10
Q6001
2PG0010000RP
R6147
47k
D6022
MA3DF30000LZ
SS34
1
2
3
TP2
R6152
100
TP14
D6021
MA3DF30000LZ
C0ZBZ0001324
IC6151
1
LO
2
Vcom
3
VCC2
4
NC
5
NC
6
VS
7
VB
8
HO
9
NC
10
NC
11
VCC
12
HIN
13
NC
14
LIN
15
GND
16
NC
TP17
D6072
B0HBSN000008
R6253
39k
D6062
B0HBSN000008
TP34
Q6171
B1ABRD000003
R6021
7.5
TP7
D6253
LNJ301MPUJA
75
R6134
L6013
G0C1R6KA0119
C6272
25V
220u
R6026
7.5
C6132
25V
4.7u
L6011
G0C1R6KA0119
R6001
7.5
L6005
G0C1R6KA0119
TP11
R6151
100
L6001
G0C1R6KA0119
R6171
10
TP6
C6241
10V
100u
C6252
25V
1u
C6152
25V
4.7u
Q6023
2PG0010000RP
SS35
1
2
3
4
D6131
B0ECKP000047
VEEXT160V
R6256
1.8k
C6023
630V
5600p
Q6172
B1ADRD000001
R6033
56k
L6012
G0C1R6KA0119
R6257
10k
R6136
10
Q6147
B1ADPF000004
C6261
100V
470u
C6016
220V
200u
TP8
C6037
25V
4.7u
TP33
L6002
G0C1R6KA0119
D6032
MA2J11100L
C6262
100V
470u
R6032
82k
TP18
C0ZBZ0000895
IC6131
1
LO
2
GND
3
VCC
4
NC
5
NC
6
VS
7
VB
8
HO
9
NC
10
NC
11
NC
12
HIN
13
NC
14
LIN
15
GND
16
NC
75
R6154
TP12
R6172
47k
SS12
1
2
3
4
5
6
7
8
9
10
R6258
2.2k
R6024
7.5
R6243
EXB38V470JV
D6081
MA3DF30000LZ
R6034
27k
D6153
B0ECKP000047
R6181
10
L6063
J0JKB0000049
Q6022
2PG0010000RP
C6153
25V
4.7u
L6062
J0JKB0000049
R6031
82k
C0JBAZ000005
IC6241
1G~
1
2
1A1
3
2Y4
4
1A2
5
2Y3
6
1A3
7
2Y2
8
1A4
9
2Y1
10
GND
11
2A1
12
1Y4
13
2A2
14
1Y3
15
2A3
16
1Y2
17
2A4
18
1Y1
19
2G~
20
VCC
D6255
MA2J11100L
C6204
250V
4u
L6262
G0ZZ00002183
R6043
7.5
C6012
220V
200u
R6145
1
D6151
B0ECKP000047
TP16
R6041
7.5
R6290
1.2k
SS33
1
2
3
4
5
6
7
8
9
10
TP15V
TPVDA
-+
-+
(GREEN LED)
TPVSUS
VSUS
GND
VDA
VDA
NC
P5V
TPSOS8
UEL
UEH
USL
USH
UML
UMH
SOS8_SS
URH
190
2V
75V
5V
B
2 7814
A
56
D
E
C
3
BUFFER
COMPARATOR
FET DRIVER
FET DRIVER
(P12)
P-BOARD
P-BOARD
TO
(P11)
TO
(C35)
C3-BOARD
TO
(C33)
C3-BOARD
TO
SS-BOARD TXNSS1HMTUJS (1/2)
!
1
2
3
4
SHORT JUMPER
TH-50PX77U/PE77U
SS-Board (1 of 2) Schematic Diagram
TH-50PX77U/PE77U
SS-Board (1 of 2) Schematic Diagram
TH-50PX77U / TH-50PE77U
104

Table of Contents

Related product manuals