EasyManua.ls Logo

Panasonic TH-50PC77U - Schematic Diagrams; P-Board Schematic Diagrams

Panasonic TH-50PC77U
112 pages
Print Icon
To Next Page IconTo Next Page
To Next Page IconTo Next Page
To Previous Page IconTo Previous Page
To Previous Page IconTo Previous Page
Loading...
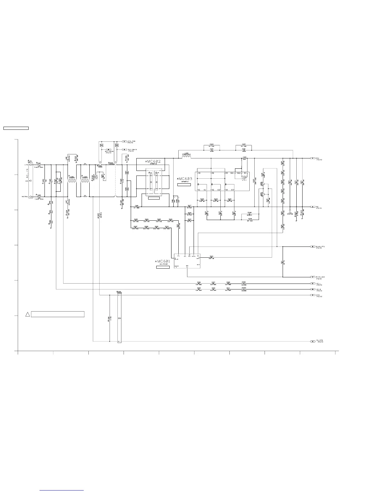
15.4. P-Board (1 of 2) Schematic Diagram
C
32
B
A
E
657
D
14
F
89
!
P-BOARD ETXMM655MEH (1/2)
TH-50PX77U/PE77U
P-Board (1 of 2) Schematic Diagram
TH-50PX77U/PE77U
P-Board (1 of 2) Schematic Diagram
RECTIFIER
<Exchange board only>
PFC MODULE
<Exchange board only>
PFC MODULE
<Exchange board only>
TH-50PX77U / TH-50PE77U
60

Table of Contents

Related product manuals