EasyManua.ls Logo

Panasonic TH-58PH10BK - SS, S1, SS2 and SS3-Board Block Diagram

Panasonic TH-58PH10BK
145 pages
To Next Page IconTo Next Page
To Next Page IconTo Next Page
To Previous Page IconTo Previous Page
To Previous Page IconTo Previous Page
Loading...
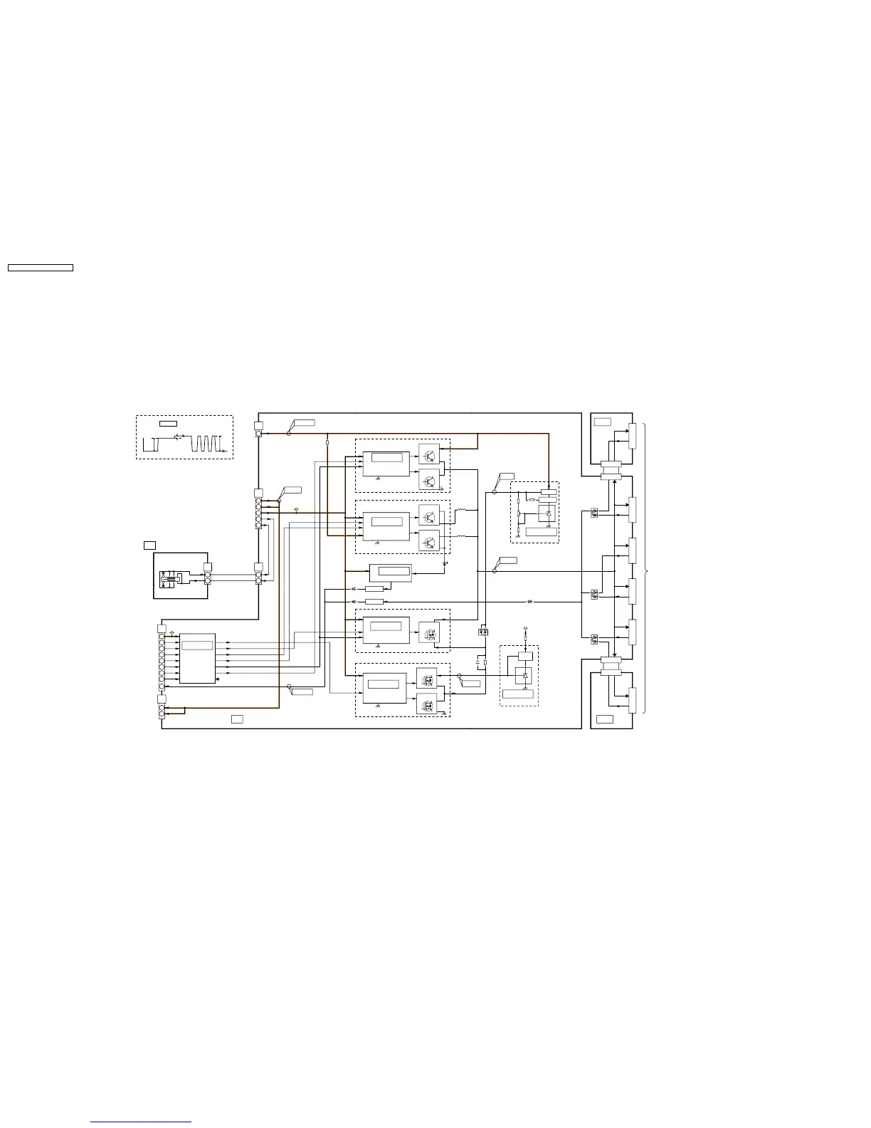
14.48. SS, S1, SS2 and SS3-Board Block Diagram
REF
KA
REF
KA
+
PUSH
D6253
D6255
R6113
G
D
S
G
D
S
G
D
S
G
D
S
G
D
S
G
D
S
G
D
S
VR6000
1
2
3
+5V
D6273
D6279
D6275
+15V
D6221
D6276
15V
D6277
SW061
Q6051-Q6053
Q6141-Q6144
+15V
LED(G)
FET DRIVER
VCC
SS
IC6191
TPSS1 SIGNAL WAVE
1
Q6103,Q6104
S34
4
Vsus Gen.
S1 POWER SWITCH
34
Q6021-Q6025
VCC
Vda
Q6001-Q6005
SS_SOS8
VSUS
VE
1
2
8
MAIN_SW_1
VCC
Vda
3
Ve Gen.
10
VCC
3
IC6251
1
MAIN_SW_2
IC6131
12
Ve2
P12
SS
ENERGY RECOVERY
COMPARATOR
SS
SUSTAIN DRIVE
Vsus
11
SS
1
TO P11
Q6146-Q6149
IC6151
Q6041-Q6043
L6013-L6016
L6006
VCC
IC6211
(+5V)
IN
Ve2 Gen.
FET DRIVER
SUSTAIN
ELECTRODE
PA NE L
SS54
SS55
Q6101,Q6102
2
IC6241
1
2
4
6
TO C33
UMH
UEH
SOS8_SS
P5V
Vda
33
Vda
SS
UEL
USH
USL
UML
5
7
1
3
VCC
8
BUFFER
OUTPUT
FET
IC6221
HIN
LIN
OUTPUT
FET
HIN
LIN
HO
LO
OUTPUT
OUTPUT
FET
FET
HO
LO
FET DRIVER
Q6171,Q6172
Q6181,Q6031
VCC2
FET DRIVER
HOHIN
LIN
OUTPUT
FET
FET
OUTPUT
OUTPUT
FET
Q6111
Q6112,Q6114
LO
HO
Ve D et
Adj.
Q6271
Q6251
TPVSUS
192V+7V,-7V
TPVDA
TPSS1
TPVe
MAIN_SW_2
MAIN_SW_1
TPSOS8
UEL
UML
UEH
USH
USL
UML
UMH
TPVe2
SS3
SS57
SS22
SS24
Q6105,Q6106
SS23
SS2
SS52
SS21
IC6281
Q6281
Ve2 Det
Q6282
URH 9
TO C35
35
SS
75V
Q6256
Q6222A
SS53
SS56
PANEL SOS
L6001-L6004
L6011
POWER SWITCH
LED BLINKING : 8 TIMES
ENERGY RECOVERY SOS DET
TH-58PH10BK/EK
SS, S1, SS2 and SS3-Board Block Diagram
TH-58PH10BK/EK
SS, S1, SS2 and SS3-Board Block Diagram
TH-58PH10BK / TH-58PH10EK
114

Table of Contents

Related product manuals