EasyManua.ls Logo

Panasonic TH-58PH10BK - DN-Board (2 of 2) Block Diagram

Panasonic TH-58PH10BK
145 pages
Print Icon
To Next Page IconTo Next Page
To Next Page IconTo Next Page
To Previous Page IconTo Previous Page
To Previous Page IconTo Previous Page
Loading...
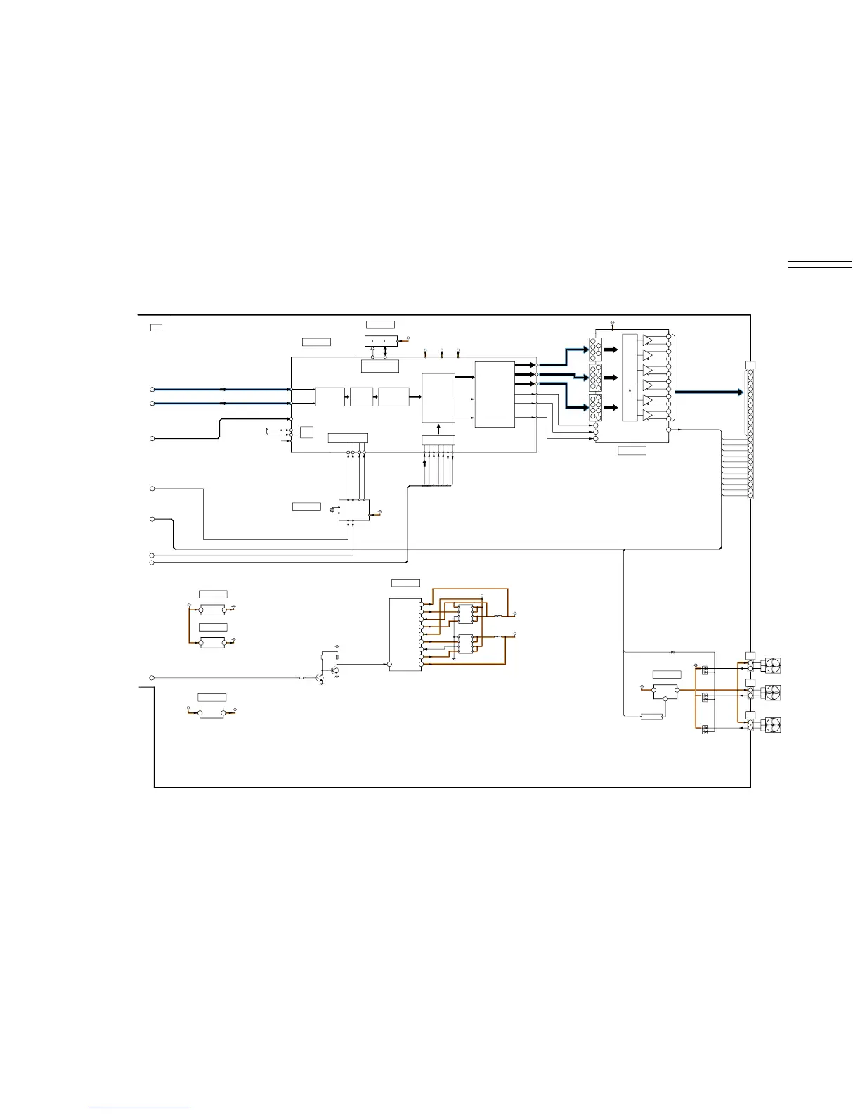
14.19. DN-Board (2 of 2) Block Diagram
SCL2
OSD_HDO
SDA2
OSD_HDIN
OSD_YS
IIC_CONT
P3V_SDA2
SCL1
FAN_CONT
P3V_SCL2
SDA1
FAN_SOS
OSD_VDO
ALARM
DISPEN
LVDS_PD
OSD_CKIN
OSD0-15
OSD_YM
RXD
READY
TXD
PANEL_STBY_ON
D4355
P+15V
+1.5V
D4359
+1.5V
STB+1.5V
+3.3V
STB+5V
P+15V
P+15V
Q4962
+2.5V
STB+3.3V
+2.5V
Q4961
+3.3V
+3.3V
+2.5V
D4357
+2.5V
+3.3V
FAN+15V
DIGITAL
59
19
OSD MIX
18
40
HSOE
CLK
1
VSOE
A11
IC4956
1.5V
30
IC4953
CLK6
7
30
TX_TA-
24
9
62
128M DDR SDRAM
SDA1
TCLK+
DN
STB+3.3V
TXD
55
BUS
9
OUT2-1
31
INV
3
12
HD,VD
OUT2-2
TX_TB+
Q4351
DN
33
4
CONVERTER
19
DDR-SDRAM
DC-DC CONVERTER
IMPROVER
TX_TD-
10
TE+
6
TX_TC+
X4501
VDD
7
TB-
61
15V->3.3V/1.5V
RXD
IIC
TX_TC-
SCL1
CLKIN
1
19
16
24
S1
22
D1
VDD
63
1
PROCESSING
2.5V
AVR+2.5V
COLOR Adj.
3.3V
CONTRAST Adj.
23
CLOCK GENE.
28
TD+
TB+
8
CONTROL
5
D2
IIC
4
20
Q4901
12
3
5
2
LX2
G1
D2
18
S2
1
1
FAN DRIVE
1
D1
5
4
READY
TCLK-
CLK5
SCL2
DQ31
TX_TCLK+
SDA2
PANEL_STBY_ON
OCKREF
SIGNAL
48
TO D5
CLK7
Q4902
4
CLK4
44
HOUT
VCC
D1
3
20
G2
D2
54
PICTURE
CLK3
25
29
SIGNAL PROCESSOR
IIC_CONT
TX_TE+
IC4501
IC4351
TX_TB-
21
DCK
IC4500
4
31
LVD S
1
OUT1-1
3
TX_TCLK-
R,G,B SUB VIDEO 24bit
52
BOE0-BOE9
DQ0
OSD INPUT
64
OUT1-2
24
23
A0
IC4901
INTERFACE
CLK3
11
29
VO1
5
GOUT
DATA
IC4502
VOUT
12
6
CLKOE
TC-
COLOR SIGNAL
PROCESSOR
HD,VD,DCK
WHITE BALANCE
Adj.
8
GAMMA cor.
2
D2
15
26
2.5V
LVDS TRANSMITTER(10bit)
TX_TD+
TC5
18
OUT
TX_TE-
1
VCC
TC+
G1
3
S2
REFCK
33
13
23
10Bit LVDS
FORMAT CONVERTER
/PDWN
27
6
57
TTL
VOUT
I/P,FORMAT
LX1
TE-
IC4954
TX_TA+
(SERIAL)
1
3
SCKREF
VOUT
ADDRESS
MCKREF
21
ROE0-ROE9
R,G,B MAIN VIDEO 24bit
OSD
VIN
DATA
XRST/XSYNCRST
46
PARALLEL
50
IC4301
DN
35
2
DN6
TA+
25
STB+1.5V
11
GOE0-GOE9
NRST
BOUT
G2
3
TC4
1
D1
CLK1
VOUT
VDD
VO2
ROUT
S1
CLK
TA-
6
42
14
CLK1
ALARM
20MHz
38
DISPEN
MICON
DIGITAL SIGNAL PROCESSOR
26
TD-
20
CONT
TH-58PH10BK/EK
DN-Board (2 of 2) Block Diagram
TH-58PH10BK/EK
DN-Board (2 of 2) Block Diagram
D4353
P+15V
1
DN
31
3
3
1
TH-58PH10BK / TH-58PH10EK
85

Table of Contents

Related product manuals