EasyManua.ls Logo

Panasonic TH-58PH10BK - P-Board (1 of 2) Schematic Diagram

Panasonic TH-58PH10BK
145 pages
Print Icon
To Next Page IconTo Next Page
To Next Page IconTo Next Page
To Previous Page IconTo Previous Page
To Previous Page IconTo Previous Page
Loading...
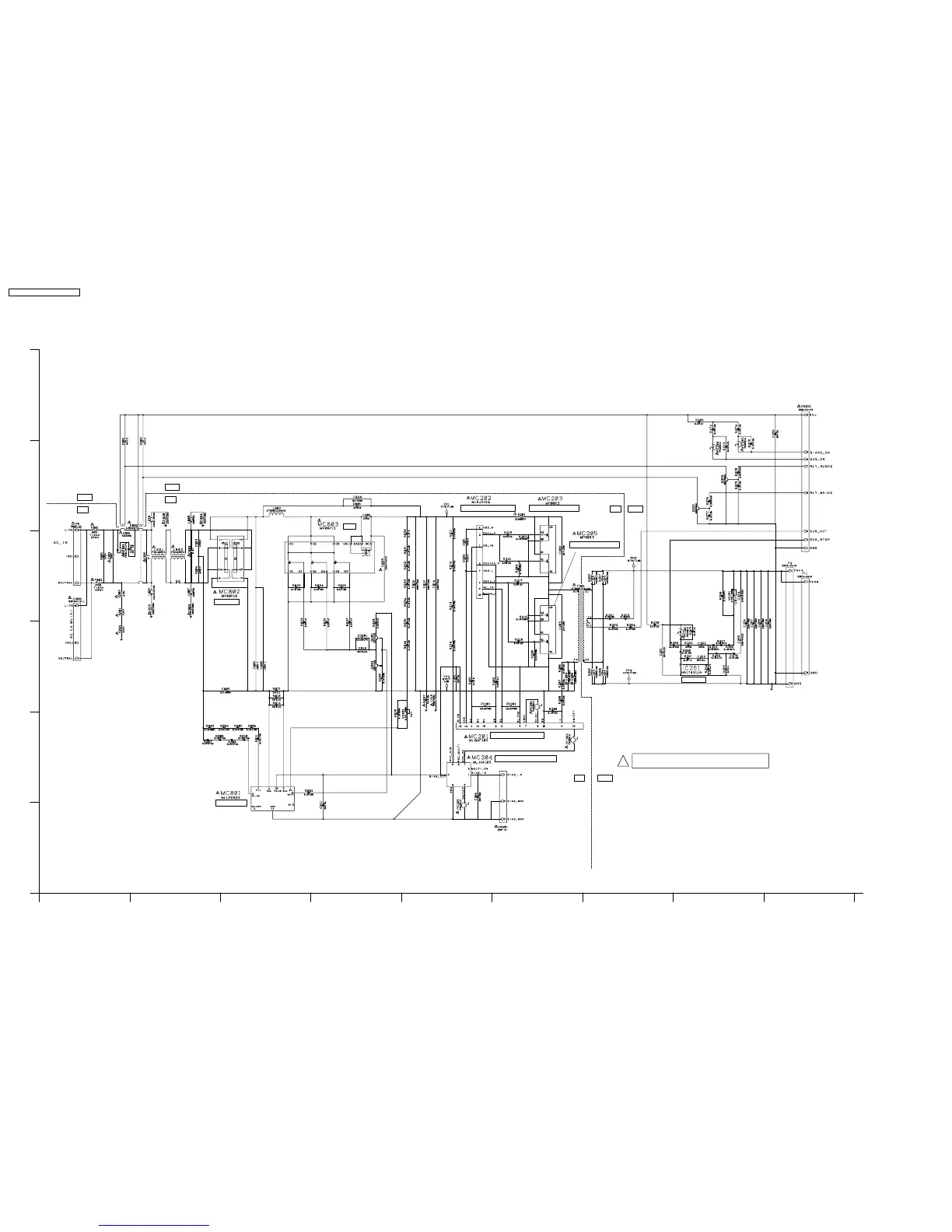
14.4. P-Board (1 of 2) Schematic Diagram
B
E
96873
D
4
C
12
F
5
A
TH-58PH10BK/EK
P-Board (1 of 2) Schematic Diagram
TH-58PH10BK/EK
P-Board (1 of 2) Schematic Diagram
PFC MODULE
<Exchange board only>
PFC
<Exchange board only>
RECTIFIER
<Exchange
board only>
Vsus POWER CONTROL 1
<Exchange board only>
PFC/BIAS CONTROL MODULE
<Exchange board only>
Vsus POWER CONTROL 2
<Exchange board only>
Vsus POWER SUPPLY 1
<Exchange board only>
Vsus POWER SUPPLY 2
<Exchange board only>
VSUS DET
!
P-BOARD ETXMM656MFH (1/2) SUS
HOT
COLD
HOT
COLD
HOT
COLD
HOT
COLD
P-BOARD(2/2)
(CN601)
TO
P-BOARD(2/2)
(CN501)
TO
P-BOARD(2/2)
(CN701)
TO
SC-BOARD
(SC2)
TO
SS-BOARD
(SS11)
TO
TH-58PH10BK / TH-58PH10EK
70

Table of Contents

Related product manuals