EasyManua.ls Logo

Panasonic TX-51P950M - Page 63

Panasonic TX-51P950M
102 pages
Print Icon
To Next Page IconTo Next Page
To Next Page IconTo Next Page
To Previous Page IconTo Previous Page
To Previous Page IconTo Previous Page
Loading...
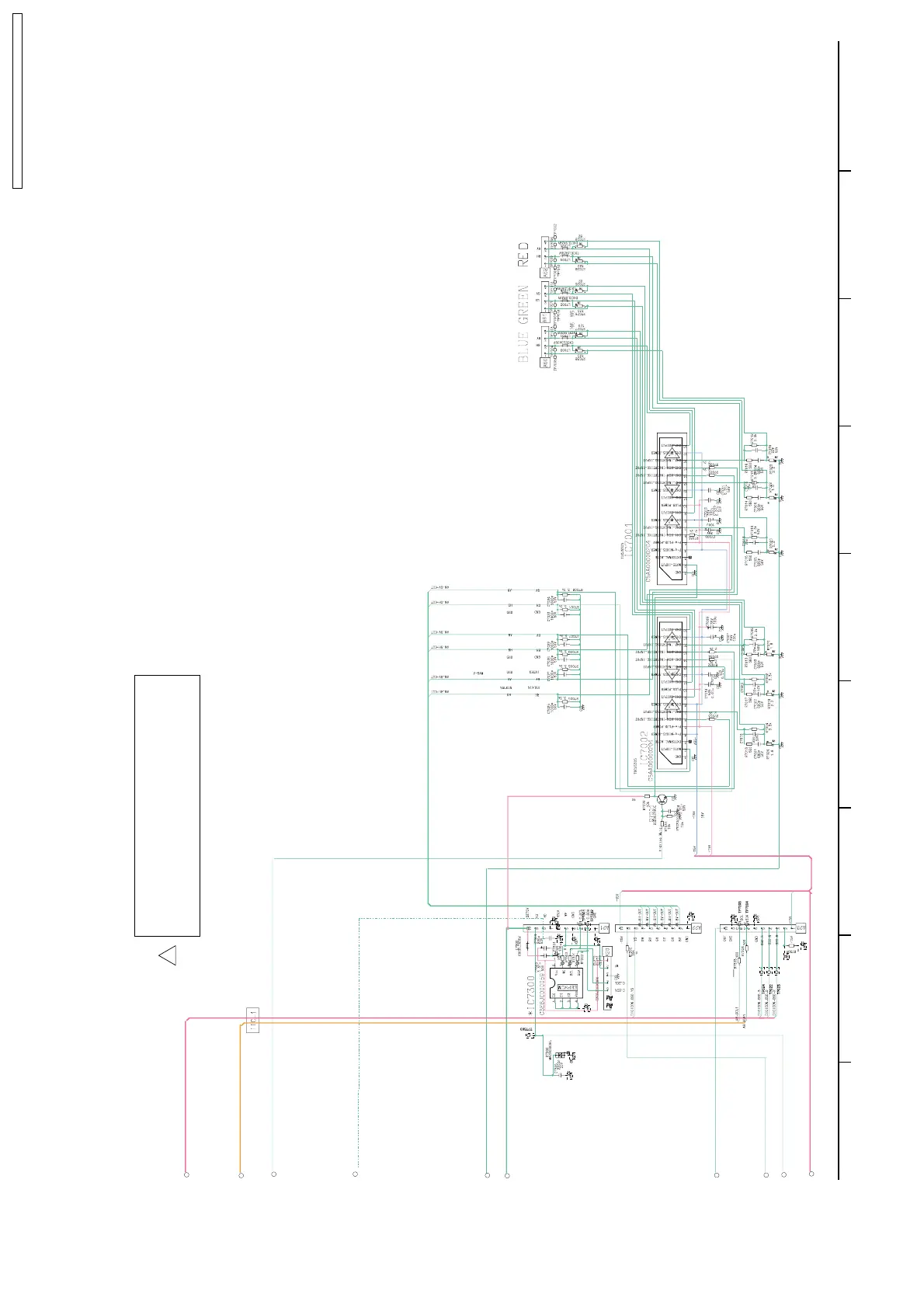
13.5. A-Board (4 of 4) Schematic Diagram
25 26 27 28 29 30 31 32 33
33
34
35
36
38
39
40
37
TX-43P950M TX-43P950X TX-51P950M TX-51P950X
A-Board Schematic Diagram(4/4)
31
32
TX-43P950M TX-43P950X TX-51P950M TX-51P950X
A-Board Schematic Diagram(4/4)
A-Board TNPH0625AH (4/4) For TX-43P950M
A-Board TNPH0625AJ (4/4) For TX-43P950X
A-Board TNPH0625AF (4/4) For TX-51P950M
A-Board TNPH0625AG (4/4) For TX-51P950X
!
TX-51P950M / TX-51P950X / TX-43P950M / TX-43P950X
63

Table of Contents

Related product manuals