EasyManua.ls Logo

Panasonic TX-51P950M - 14 Parts Location

Panasonic TX-51P950M
102 pages
Print Icon
To Next Page IconTo Next Page
To Next Page IconTo Next Page
To Previous Page IconTo Previous Page
To Previous Page IconTo Previous Page
Loading...
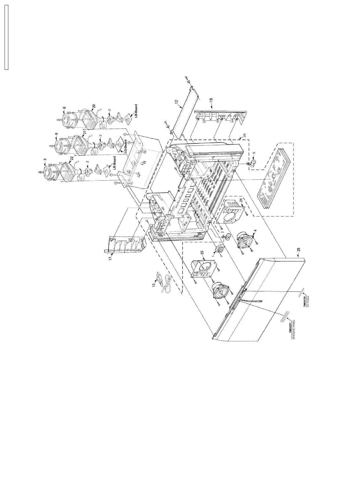
14 Parts Location
Note: The number on mechanical parts indicates Ref. No.Mechanical Replacement Parts List.
TX-51P950M / TX-51P950X / TX-43P950M / TX-43P950X
79

Table of Contents

Related product manuals