EasyManua.ls Logo

Parker 890CS - Page 475

Parker 890CS
586 pages
Print Icon
To Next Page IconTo Next Page
To Next Page IconTo Next Page
To Previous Page IconTo Previous Page
To Previous Page IconTo Previous Page
Loading...
Programming
890CS Common Bus Supply - Frames B & D; 890CD Common Bus Drive and 890SD Standalone Drive - Frames B, C & D Page D-131
8
9
10
11
A
B
C
D
1
2
3
4
5
6
7
E
Parameter Descriptions
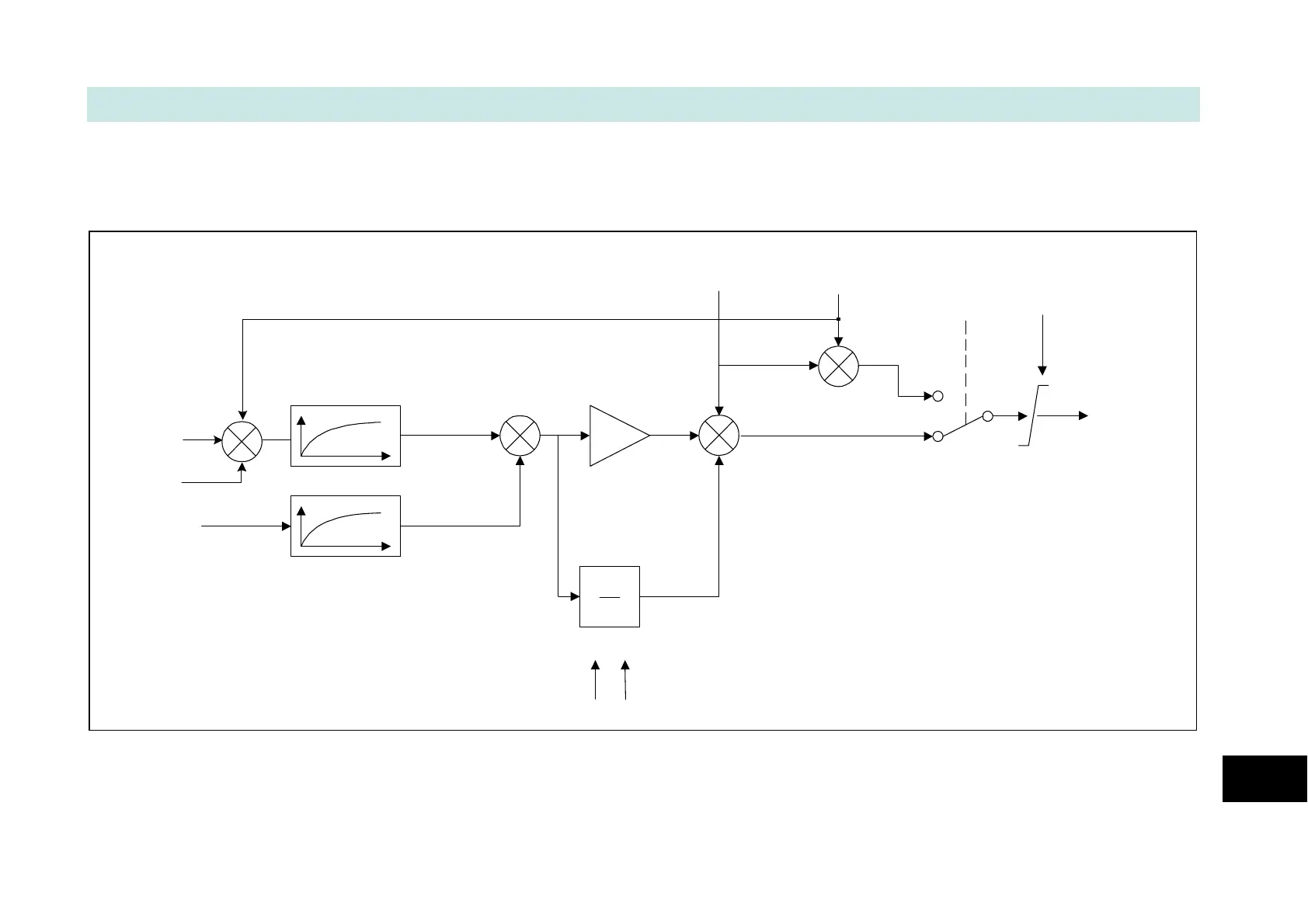
SPD PI OUTPUT
PREF: 78.29 Default: —.00 % Range: —.00 %
This diagnostic shows the torque demand due to the speed loop PI output, not including any feedforward terms.
+
-
K
i
S
Integral Term
K
p
Prop Term
Lo-Pass Filter
+
+
+
+
+
Lo-Pass Filter
Speed
Demand
Speed
Feedback
Aux Torque
Demand
Integral
Preset
Integral
Defeat
Direct
Input
Clamp
Torque
Control
Speed
Control
Torque
Limits
+
+
Torque
Demand
Torque
Demand
Isolate
Phase
Input
+

Table of Contents

Other manuals for Parker 890CS

Related product manuals