EasyManua.ls Logo

Perkins M190C - Page 24

Perkins M190C
220 pages
Print Icon
To Next Page IconTo Next Page
To Next Page IconTo Next Page
To Previous Page IconTo Previous Page
To Previous Page IconTo Previous Page
Loading...
24 KENR9126
Troubleshooting Section
Schematic Diagrams
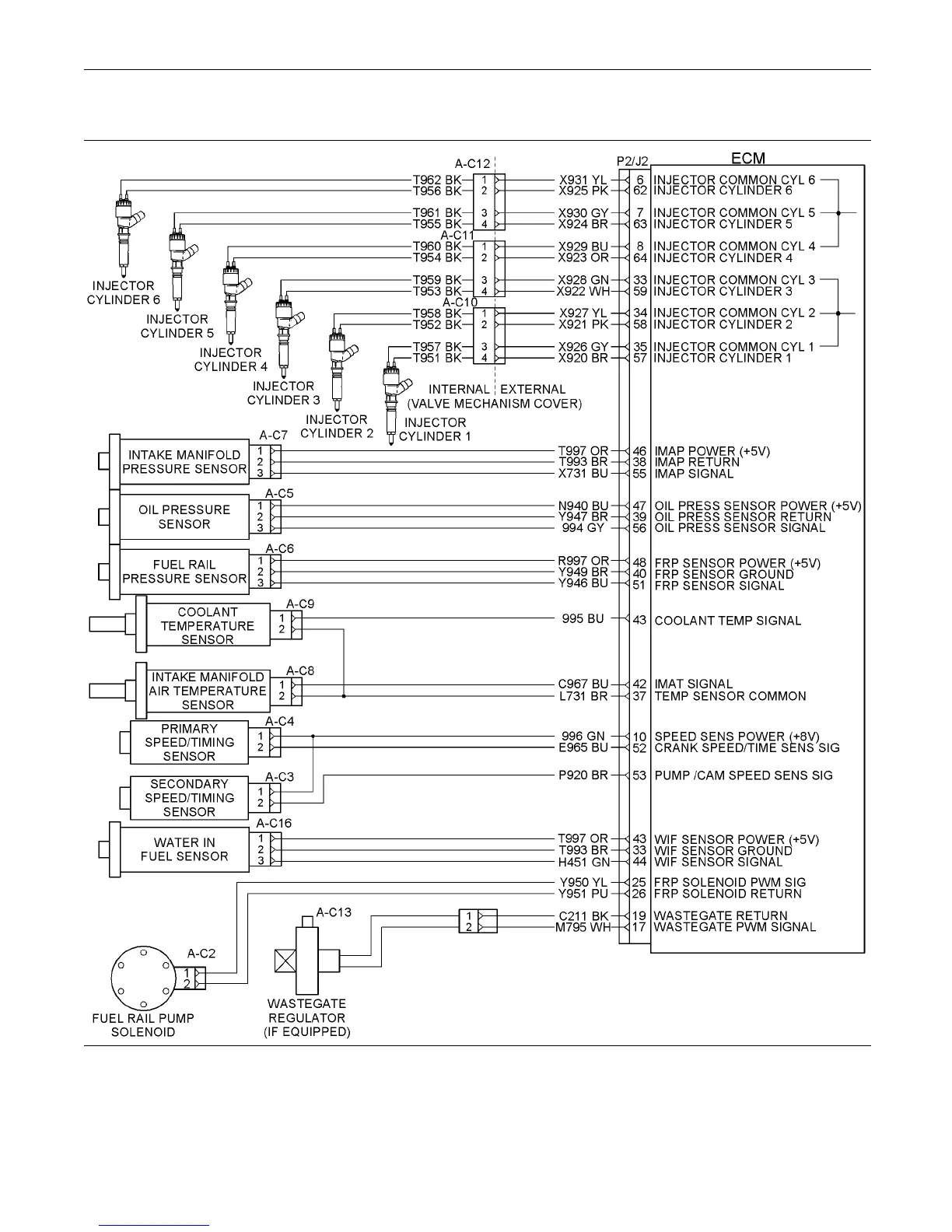
g02196693
Illustration 7
Sc
hematic Diagram for the engine Harness

Table of Contents

Related product manuals