EasyManua.ls Logo

PIAGGIO 633823 - Page 168

PIAGGIO 633823
336 pages
Print Icon
To Next Page IconTo Next Page
To Next Page IconTo Next Page
To Previous Page IconTo Previous Page
To Previous Page IconTo Previous Page
Loading...
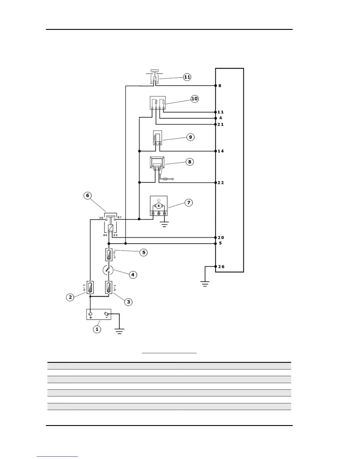
Pump supply circuit
INJECTION LOADS
Specification Desc./Quantity
1 Battery 12V - 12 Ah
2 Fuse 15A
3 Fuse 20A
4 Key switch contacts
5 Fuse 7.5 A
6 Injection load remote control
7 Fuel pump
8 HV coil
Injection MP3 250 i.e.
INJEC - 16

Table of Contents

Related product manuals