EasyManua.ls Logo

PIAGGIO B 250 - Page 74

PIAGGIO B 250
336 pages
Print Icon
To Next Page IconTo Next Page
To Next Page IconTo Next Page
To Previous Page IconTo Previous Page
To Previous Page IconTo Previous Page
Loading...
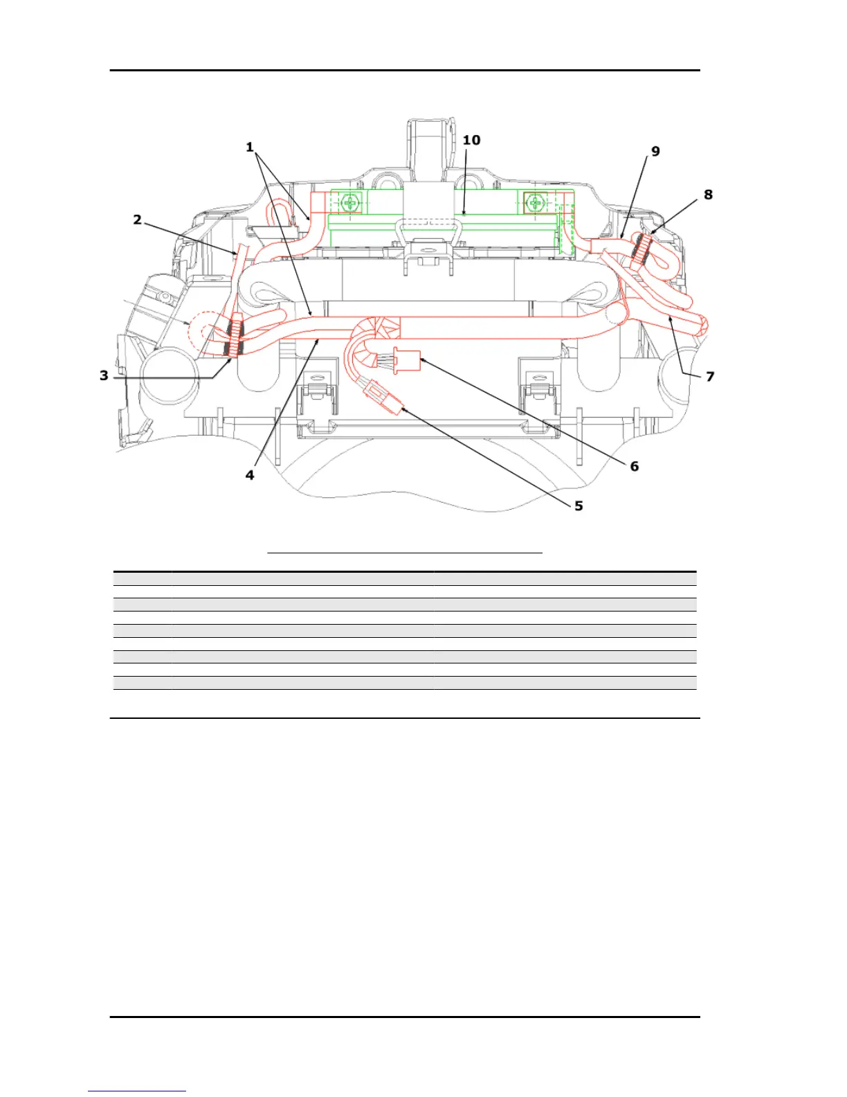
INSTALLING THE ELECTRICAL CIRCUIT
Specification
Desc./Quantity
1 Installing the electrical circuit To battery (-)
2 Installing the electrical circuit To the plafoniera
3 Installing the electrical circuit Clamp
4 Installing the electrical circuit To actuator
5 Installing the electrical circuit To license plate light
6 Installing the electrical circuit To taillight
7 Installing the electrical circuit To 12V - 180W power outlet underneath the seat
8 Installing the electrical circuit Clamp
9 Installing the electrical circuit To battery (+)
10 Installing the electrical circuit Battery 12 V/12 Ah
Electrical system B 125-250
ELE SYS - 74

Related product manuals