EasyManua.ls Logo

PIAGGIO B 250 - Page 80

PIAGGIO B 250
336 pages
Print Icon
To Next Page IconTo Next Page
To Next Page IconTo Next Page
To Previous Page IconTo Previous Page
To Previous Page IconTo Previous Page
Loading...
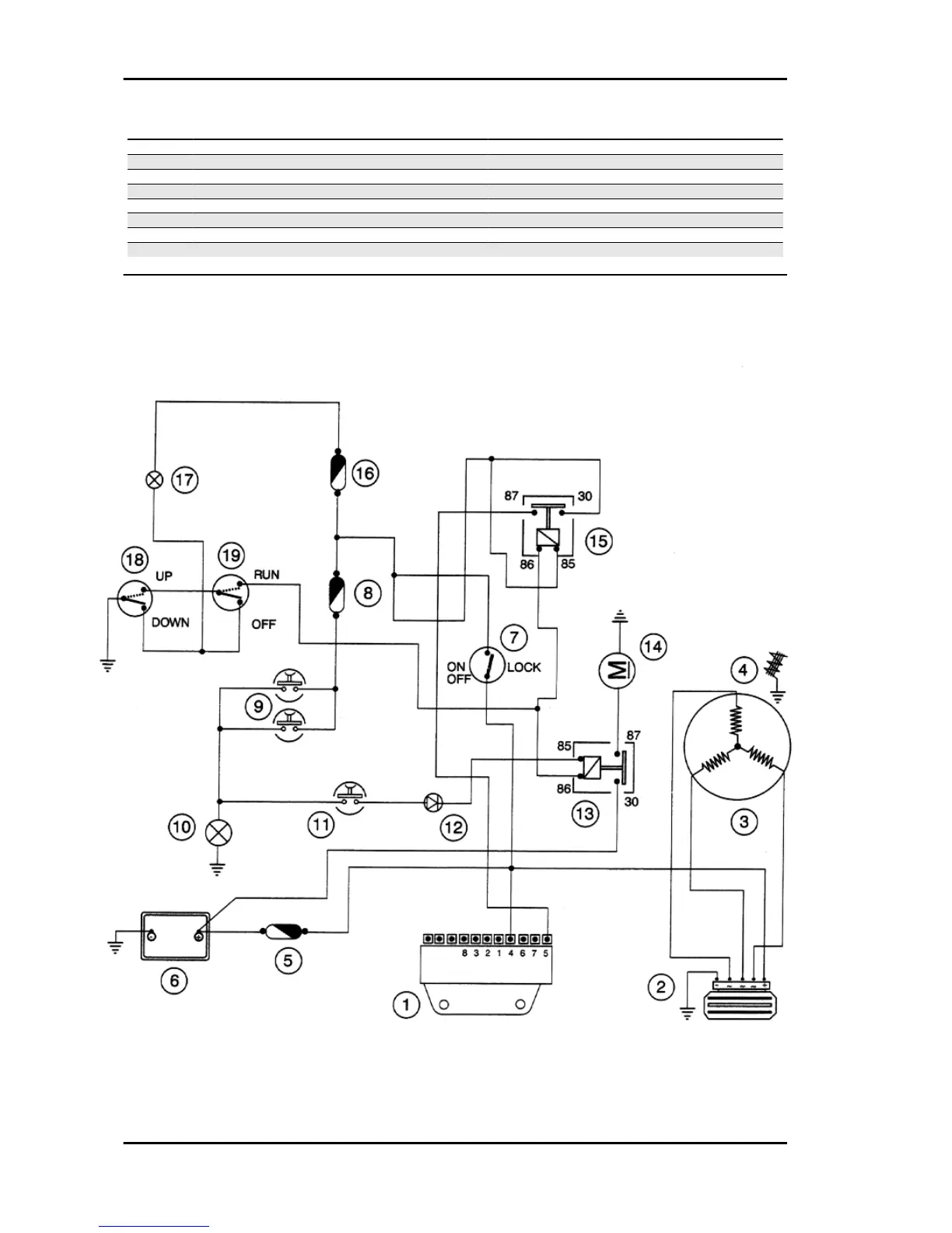
Specification Desc./Quantity
10 High beam warning light bulb 12V - 1,2W
11 Lights switch with high beam flash
12 Automatic starter
13 Fuse 7,5 A (N°3)
14 Number-plate light bulb 12V 5W
15 Two front parking light bulbs 12V - 5W
16 Two (2) taillight bulbs 12V - 5W
17 N° 5 light bulbs for instrument panel illumination 12V - 2W
Battery recharge and starting
Electrical system B 125-250
ELE SYS - 80

Related product manuals