EasyManua.ls Logo

Pioneer SC430 - Page 16

Pioneer SC430
98 pages
Print Icon
To Next Page IconTo Next Page
To Next Page IconTo Next Page
To Previous Page IconTo Previous Page
To Previous Page IconTo Previous Page
Loading...
16
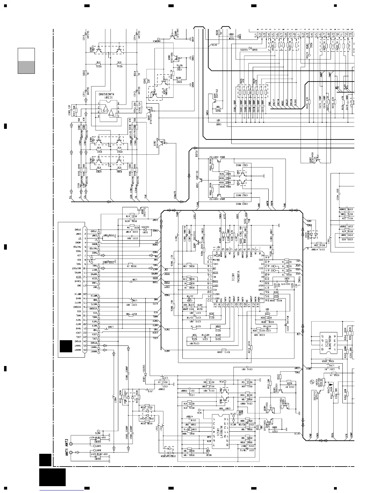
FX-MG8156ZT,MG8156ZT-91,MG8317ZT,MG8317ZT-91
91K
22K
FM DIVERSITY
TUNER CONTROLLER
CD MUTE
AM NOISE CANCELER
MIXING AMP
TAPE MUTE
SYSTEM MUTE
HARD
LOOP FILTER
AM
FM
FM
FM
AM
AM
FM
AM
FM
AM
FM
AM
FM
AM
FM
AM
FM
AM
FM 30% 400Hz : -27.9dBs
AM 30% 400Hz : -16.0dBs
FM
AM
CD
TAPE
: -43.4dBs
: -20.6dBs
: +1.8dBs
: -8.24dBs
FM
AM
CD
TAPE
: -13.5dBs
: -12.6dBs
: +3.3dBs
: -4.1dBs
MAIN
ANTENNA
SUB
ANTENNA
14
25
63
41
52
36
1
4
2
5
3
1
4
2
5
3
1
4
2
5
3
1
6
2
5
3
4
2
11
2
A
MAIN UNIT
B
FM/AM TUNER UNIT
A
1
234
B
C
D
1
2
34
A-a
A-b
A-a
1
2
3
4

Table of Contents

Related product manuals