EasyManua.ls Logo

Pioneer SC430 - Cassette Mechanism Module

Pioneer SC430
98 pages
Print Icon
To Next Page IconTo Next Page
To Next Page IconTo Next Page
To Previous Page IconTo Previous Page
To Previous Page IconTo Previous Page
Loading...
32
FX-MG8156ZT,MG8156ZT-91,MG8317ZT,MG8317ZT-91
A
1
234
B
C
D
12
34
DECK UNIT
B/C
HA12216F
11
12
13
14
15
16
17
18
19
20
40
39
38
37
36
35
34
33
32
31
30
29
28
27
26
25
24
23
22
21
1
2
3
4
5
6
7
8
9
10
R256
180
R287
0R0
C271
1/50
R284 0R0
R283 0R0
R282 0R0
C253 390P
C254 390P
C252 390P
C251 390P
R281 0R0
R255
180
C256
R01
R258
18K
R402
3R3K
R403 910
R275
47K
C272
R1
R285 0R0
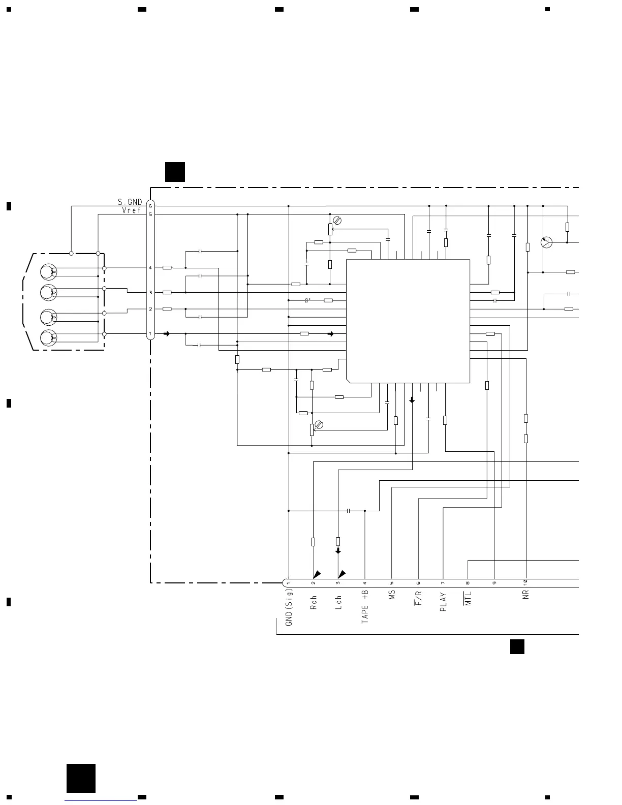
HD1
HEAD ASSY
EXA1594
TEST TAPE
NCT-150
(400Hz, 200nWb/m)
RL
RR
FR
FL
C302
R1
VR302
33K(B)
-8.24dBs(300mV)±1dB
Fwd-R
Fwd-L
Rev-R
Rev-L
NFI(L)
RIN(L)
RIP
FIN(L)
GND
GND
FIN(R)
VREF
RIN(R)
NFI(R)
M-OUT(R)
EQOUT(R)
TAI(R)
BIAS
RAI(R)
PBOUT(R)
DET(L)
MUTE
MSGV(R)
MAOUT
MSI
MSDET
MSGV
F/R
120/70
NR
MOUT(L)
EQOUT(L)
TAI(L)
NC
RAI(L)
PBOUT(L)
NC
DET(L)
MSGV(S)
CN252
CN251
DOLBY B NR
IC251
VR301
33K(B)
C310
R1
C309
R1
R322
0R0
VCC
CCP1280
CCP1280
NC
MSOUT
NC
NC
R260
13K
R262
270K
C401
4700P
R401
12K
R276
100K
C402
R33
C404
R01
C403
R022
R321
0R0
R288
0R0
R273
0R0
R272
0R0
R404
270K
C405
R03
R278
100K
Q271
2SC4116
R271
18K
C301
R1
R259
13K
C255
R01
R257
18K
R261
270K
R292
0R0
R296
0R0
R286 0R0
3.8 CASSETTE MECHANISM MODULE
N
N
CN301
A

Table of Contents

Related product manuals