EasyManua.ls Logo

Pioneer SC430 - Fm;Am Tuner Unit

Pioneer SC430
98 pages
Print Icon
To Next Page IconTo Next Page
To Next Page IconTo Next Page
To Previous Page IconTo Previous Page
To Previous Page IconTo Previous Page
Loading...
20
FX-MG8156ZT,MG8156ZT-91,MG8317ZT,MG8317ZT-91
A
1
234
B
C
D
12
34
PA4026A
IC1
A
B
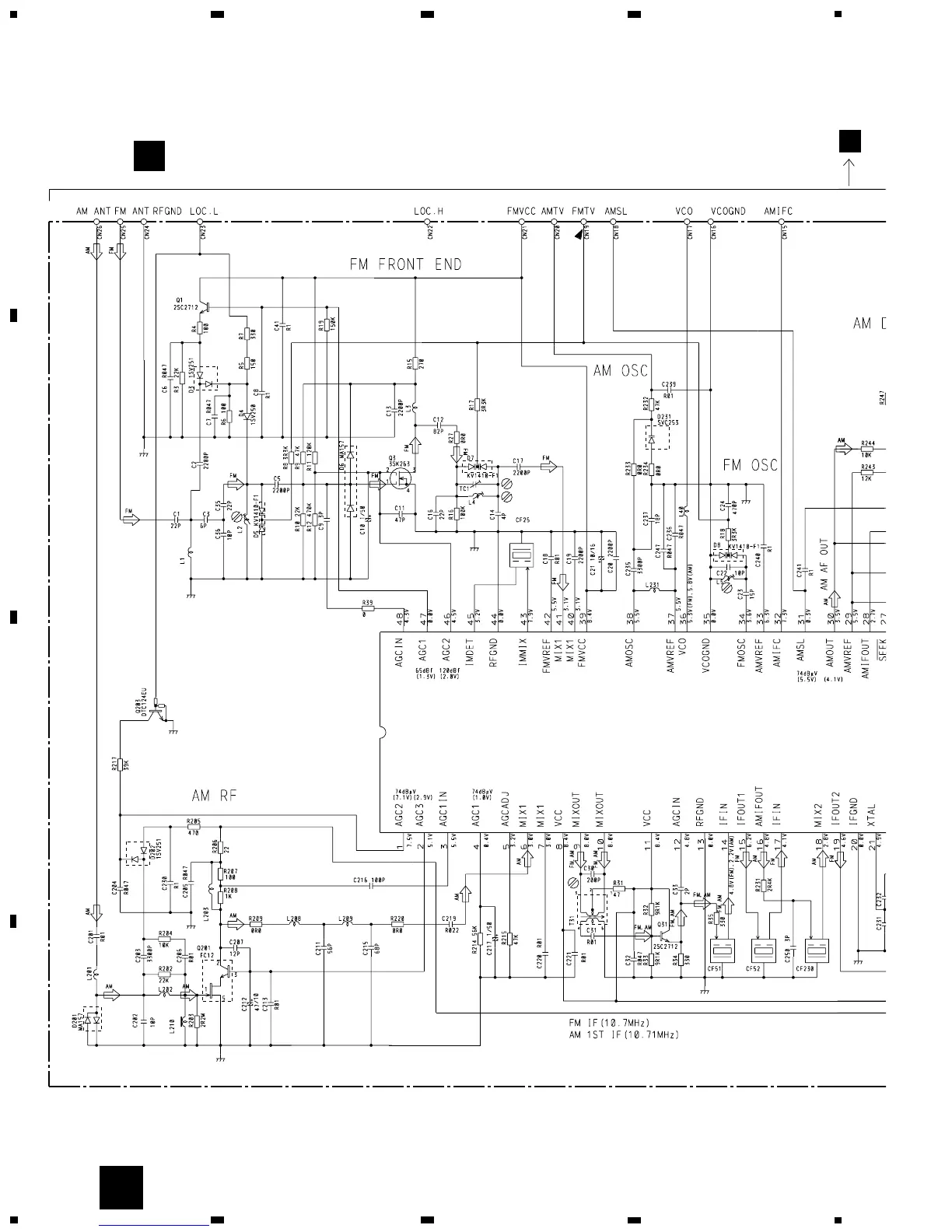
FM/AM TUNER UNIT
3.3 FM/AM TUNER UNIT
B

Table of Contents

Related product manuals