EasyManua.ls Logo

Pioneer SC430 - CD Core Unit(Sts Unit)

Pioneer SC430
98 pages
Print Icon
To Next Page IconTo Next Page
To Next Page IconTo Next Page
To Previous Page IconTo Previous Page
To Previous Page IconTo Previous Page
Loading...
26
FX-MG8156ZT,MG8156ZT-91,MG8317ZT,MG8317ZT-91
A
1
234
B
C
D
12
34
E
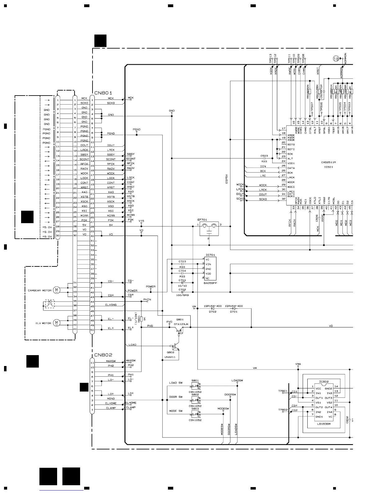
CD CORE UNIT
(SERVO UNIT)
M1 : CXB6929
Q1 : RPI-221
M3 : CXB3175
F
MOTOR PCB
(A)
ELV SENSE
SURE TRACK
MEMORY CONTROLLER
G
CD CORE UNIT(STS UNIT)
MOTOR DRIVER
H
+5V REGULATOR
3.6 CD CORE UNIT(STS UNIT)
F
G

Table of Contents

Related product manuals