EasyManua.ls Logo

Pioneer SC430 - Page 27

Pioneer SC430
98 pages
Print Icon
To Next Page IconTo Next Page
To Next Page IconTo Next Page
To Previous Page IconTo Previous Page
To Previous Page IconTo Previous Page
Loading...
27
FX-MG8156ZT,MG8156ZT-91,MG8317ZT,MG8317ZT-91
5
6
7
8
A
B
C
D
5
6
7
8
ROLLER
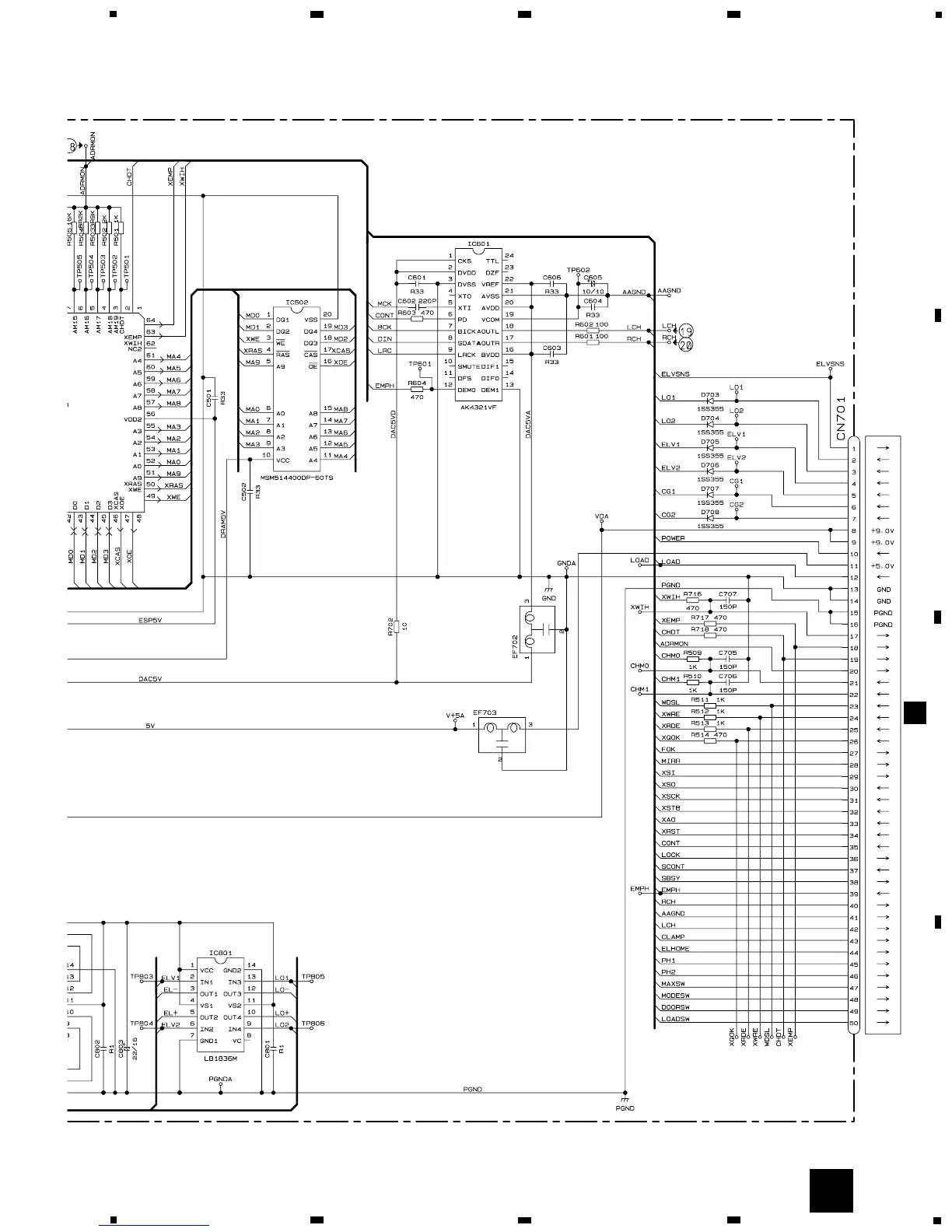
D/A CONVERTER
4M DRAM
?
CN???
MOTOR DRIVER
ER
G
CN701
Q

Table of Contents

Related product manuals