EasyManua.ls Logo

Pioneer SC430 - Page 25

Pioneer SC430
98 pages
Print Icon
To Next Page IconTo Next Page
To Next Page IconTo Next Page
To Previous Page IconTo Previous Page
To Previous Page IconTo Previous Page
Loading...
25
FX-MG8156ZT,MG8156ZT-91,MG8317ZT,MG8317ZT-91
5
6
7
8
A
B
C
D
5
6
7
8
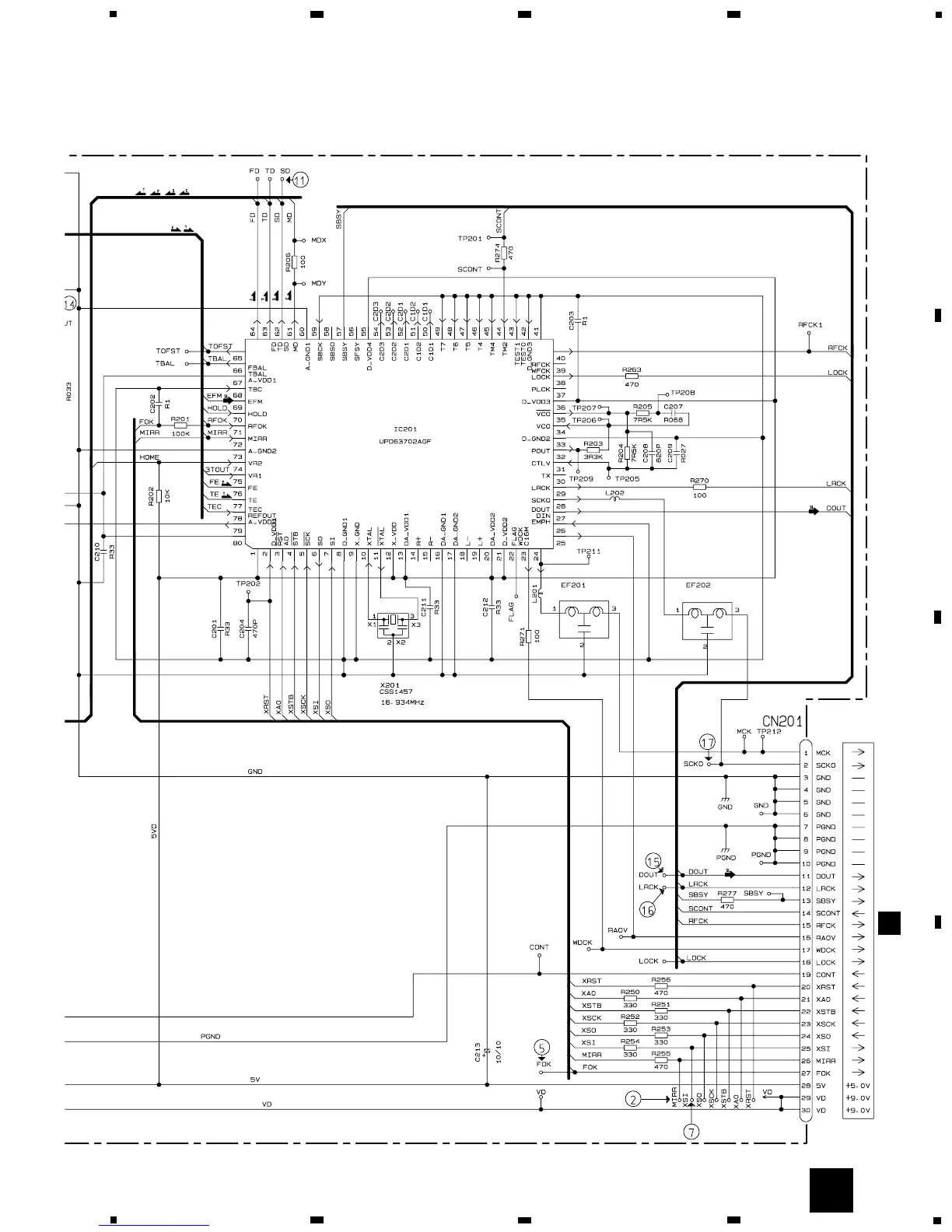
FOCUS/TRACKING
CARRIAGE/SPINDLE
DIGITAL SERVO
DIGITAL SIGNAL PROCESSOR
D/A CONVERTER
F
E

Table of Contents

Related product manuals