EasyManua.ls Logo

Polysoude PS 164-2 - Page 34

Polysoude PS 164-2
92 pages
Print Icon
To Next Page IconTo Next Page
To Next Page IconTo Next Page
To Previous Page IconTo Previous Page
To Previous Page IconTo Previous Page
Loading...
34-92 PN-0908073 Rev. 11
PS 164-2
THE ART OF WELDING
01 - NANT ES
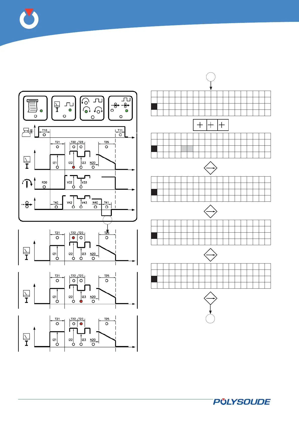
I22=090 A
01 - NANT ES
I22=100 A
01 - NANT ES
T22=0100 ms
01 - NANT ES
I23=045 A
01 - NANT ES
T23=0100 ms
12
13
12
Current
I22 = high current
T22 = time of high current
I23 = low current
T23 = time of low current

Table of Contents

Related product manuals