EasyManua.ls Logo

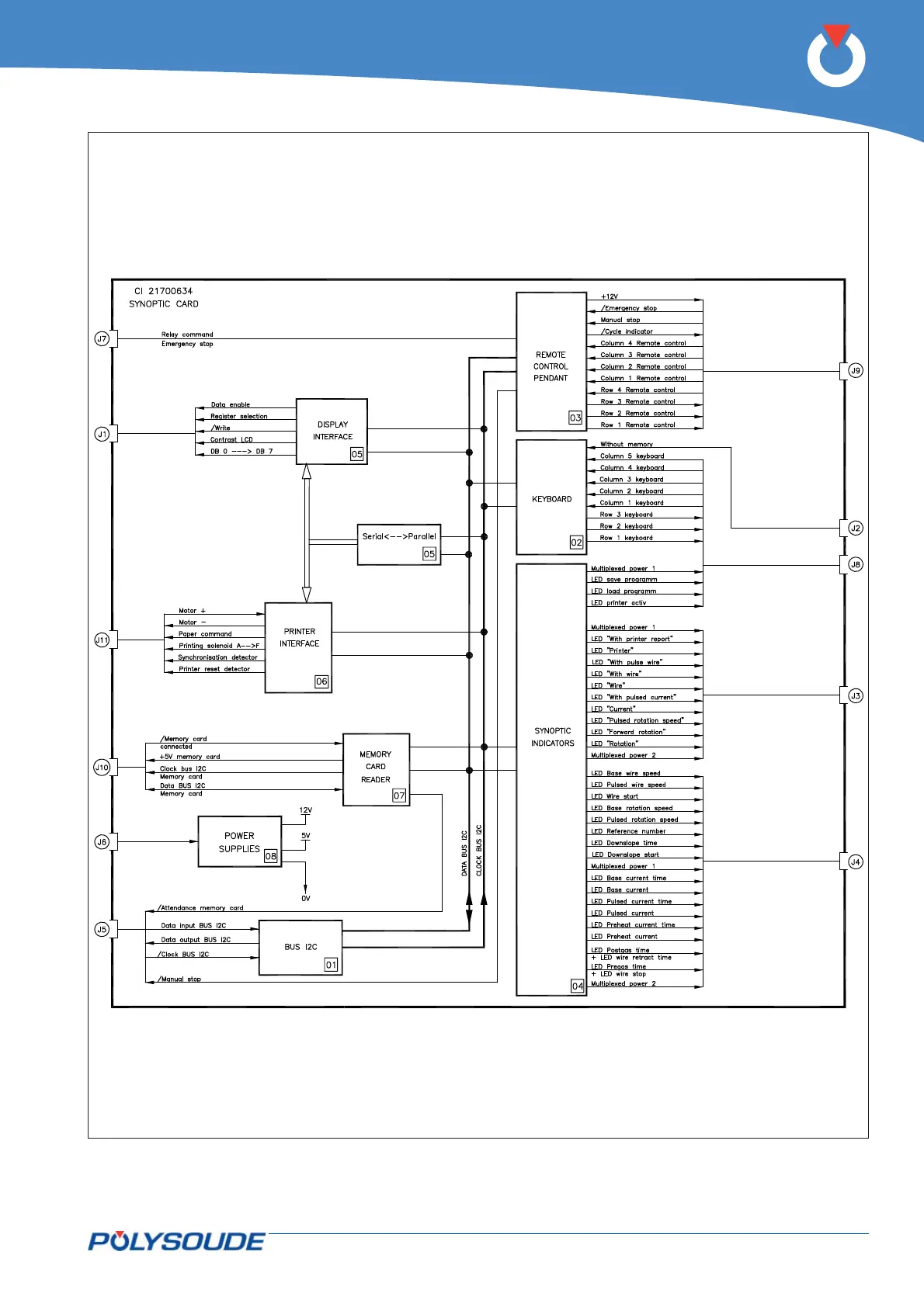
Polysoude PS 164-2 - Fig. 6.21 - Synoptic Card

Polysoude PS 164-2
92 pages
Print Icon
To Next Page IconTo Next Page
To Next Page IconTo Next Page
To Previous Page IconTo Previous Page
To Previous Page IconTo Previous Page
Loading...
PN-0908073 Rev. 11 73-92
PS 164-2
THE ART OF WELDING
Fig. 6.21 - Synoptic card

Table of Contents

Related product manuals