EasyManua.ls Logo

Primus D13 - Page 113

Primus D13
160 pages
Print Icon
To Next Page IconTo Next Page
To Next Page IconTo Next Page
To Previous Page IconTo Previous Page
To Previous Page IconTo Previous Page
Loading...
70284701 111
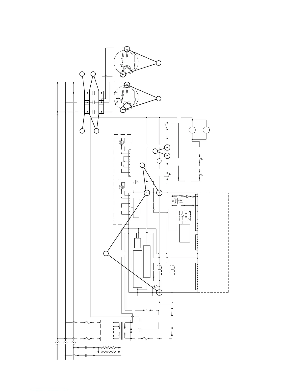
Section 8 Micro Display Control Troubleshooting - Motor will not start/run
© Copyright, Alliance Laundry Systems LLC – DO NOT COPY or TRANSMIT
MOTOR WILL NOT START
(Sheet 2 of 2)
TMB1770S
1
2
3
4
TB1-L1
TB1-L2
TB1-L3
BLK/
WHT
BLK/
WHT
PRIMARY
FUSES
AGC-2A
250V
BLK
BLK
1
2
SECONDARY
FUSE
MDL-3.5A
250V
M
FAN MOTOR
CENTRIFUGAL
SWITCH
DOOR
SWITCH
WHT
CHASSIS GROUND
WHT
LINT
PANEL
SWITCH
AIR FLOW
SWITCH
RED
RED
RED/WHT
N.O.
COM COM
N.O.
BRN/RED
WHT
ORG/BRN
COM
N.O.
ORG BRN
ORG/
WHT
WHT/
BRN
BRN/WHT
N.C.
BLK
THERMISTOR
M
14
13
RED/BLU
WHT
RED/WHT
RED/BLK
WHT/VLT
WHT
RED/BLK
RED/BLK
RED
WHT/BLU
SECONDARY
FUSE
1.25 T
250V
RED
RED
WHT
GRN/YEL
WHT
12345678910
WHT
WHT
THERMISTOR
BLK
WHT
H4
025 & 030 MODELS 035 MODELS
CABINET
LIMIT
THERMOSTAT
STOVE
LIMIT
THERMOSTAT
VLT
VLT/WHT
TB1-L3
TB1-L2
TB1-L1
SEE
TRANSFORMER
CONFIGURATION
JUMPER
HC1
HC2
L3
T3
H3
H5
L2
T2
24V
4.0A
24V
1.5A
12 3 4 5 6
1
AUX
THERM
PROT.
4
MAIN 1
MAIN 2
RUN
5
RUN
MAIN 2
MAIN 1
4
FAN
MOTOR
THERM
PROT.
AUX
1
CYLINDER
MOTOR
BLU/BLK
3
GRY/BLK
M
BLK
BLK/WHT
BLK/RED
L1
L2
L3
T1 T2 T3
MM
LT. BLU
LT. BLU
HC1
HC2
3
5
5
TEMP. REGULATING
HEAT RELAY
CIRCUIT CONTROLS
3215
FS-2
H2-1
4N25
24Vac Ret
24Vac
MACHINE RUNNING
H6
3
APPLICATION DETAIL
SEE VEND
H5
7468 1291011
COIN DROPS
H1-4
H1-2
21654
6
7
Vmax=28Vdc
Imax=5ma
H3
5
4
3
HEAT RELAY
MOTOR RELAY
START PULSE INPUT
AVAILABLE OUTPUT
TIME 20msec MIN.
Iin= 3-30ma
H3-1 & H3-2
OPTO OFF WHEN
H3-3 & H3-4
MDC CONTROL
120Vac - 6.8K ohm 5 watt
24Vac - WIRE JUMPER
240Vac - 13.6K ohm 10 watt
JUMPER H2-2 TO H2-5 AS FOLLOWS:
VOLTAGE CONFIGURATION INPUT
H2-2
H2-5
SUPPLY
POWER
CONTROL
CLOSED & SWITCH IS PRESSED
RELAY ONLY WHEN DOOR IS
CONTROL TO TURN ON MOTOR
DOOR SENSING CIRCUIT ALLOWS
24Vac Ret
24VAC
H1-1
H1-3
9
H4
10 678
1/4 watt
12
100 OHM
H11L1
FS-1
H2-4
H2-3
Door Sense Ret
H2-6
3241
1
3
2
12
13
10
11
69

Table of Contents

Related product manuals