EasyManua.ls Logo

Quectel RM500Q-AE - Page 64

Quectel RM500Q-AE
87 pages
Print Icon
To Next Page IconTo Next Page
To Next Page IconTo Next Page
To Previous Page IconTo Previous Page
To Previous Page IconTo Previous Page
Loading...
5G Module Series
RM500Q-AE&RM502Q-AE Hardware Design
RM500Q-AE&RM502Q-AE_Hardware_Design 64 / 83
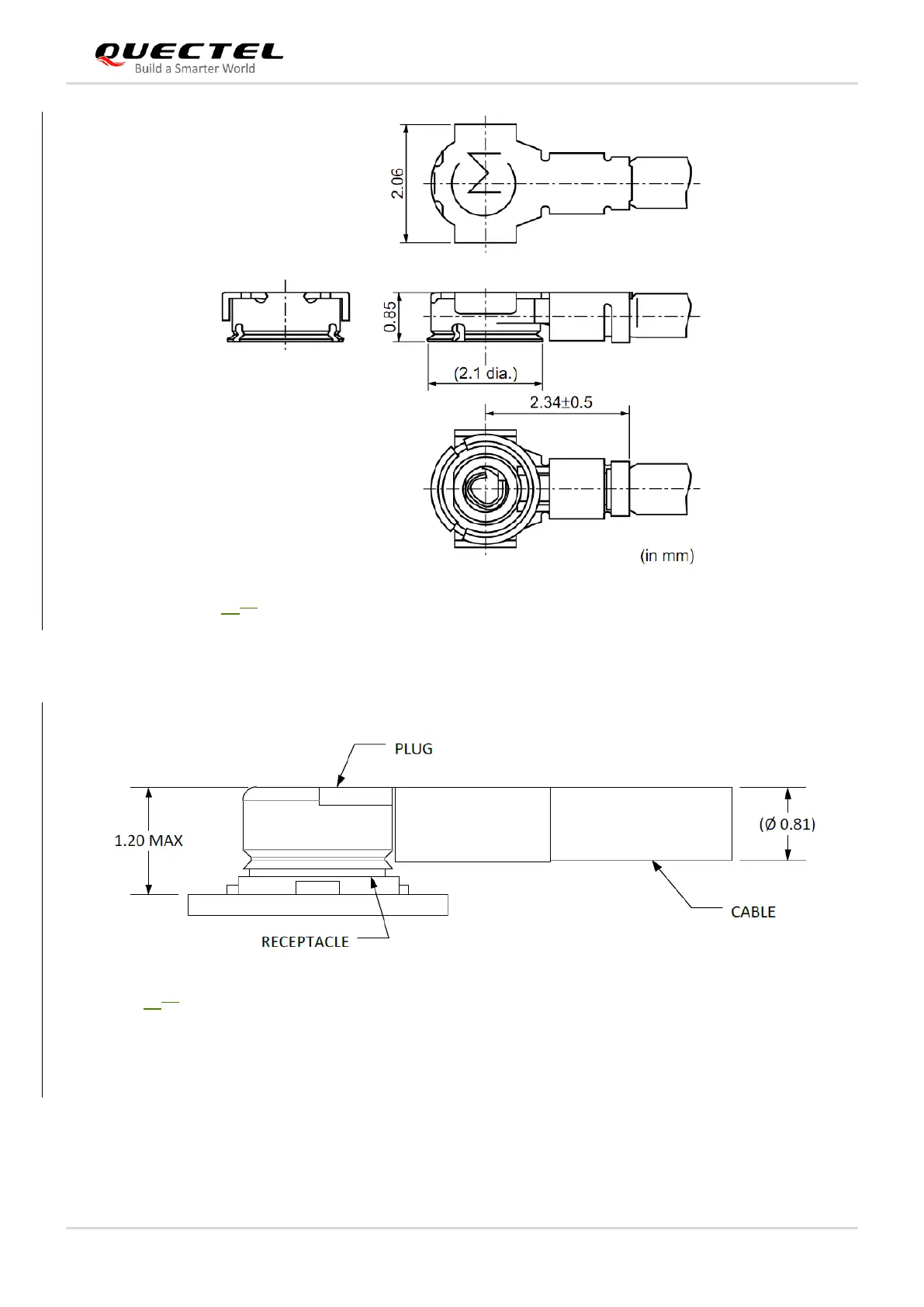
Figure 3435: Specifications of Mating Plugs Using Ø0.81 mm Coaxial Cables
The following figure illustrates the connection between the receptacle RF connector on the module and
the mating plug using a Ø0.81 mm coaxial cable.
Figure 3536: Connection between RF Connector and Mating Plug Using Ø0.81 mm Coaxial Cable
The following figure illustrates the connection between the receptacle RF connector on the module and
the mating plug using a Ø1.13 mm coaxial cable.

Table of Contents

Related product manuals