EasyManua.ls Logo

Ransomes Commander 3520 - Page 168

Ransomes Commander 3520
186 pages
Print Icon
To Next Page IconTo Next Page
To Next Page IconTo Next Page
To Previous Page IconTo Previous Page
To Previous Page IconTo Previous Page
Loading...
fr-76
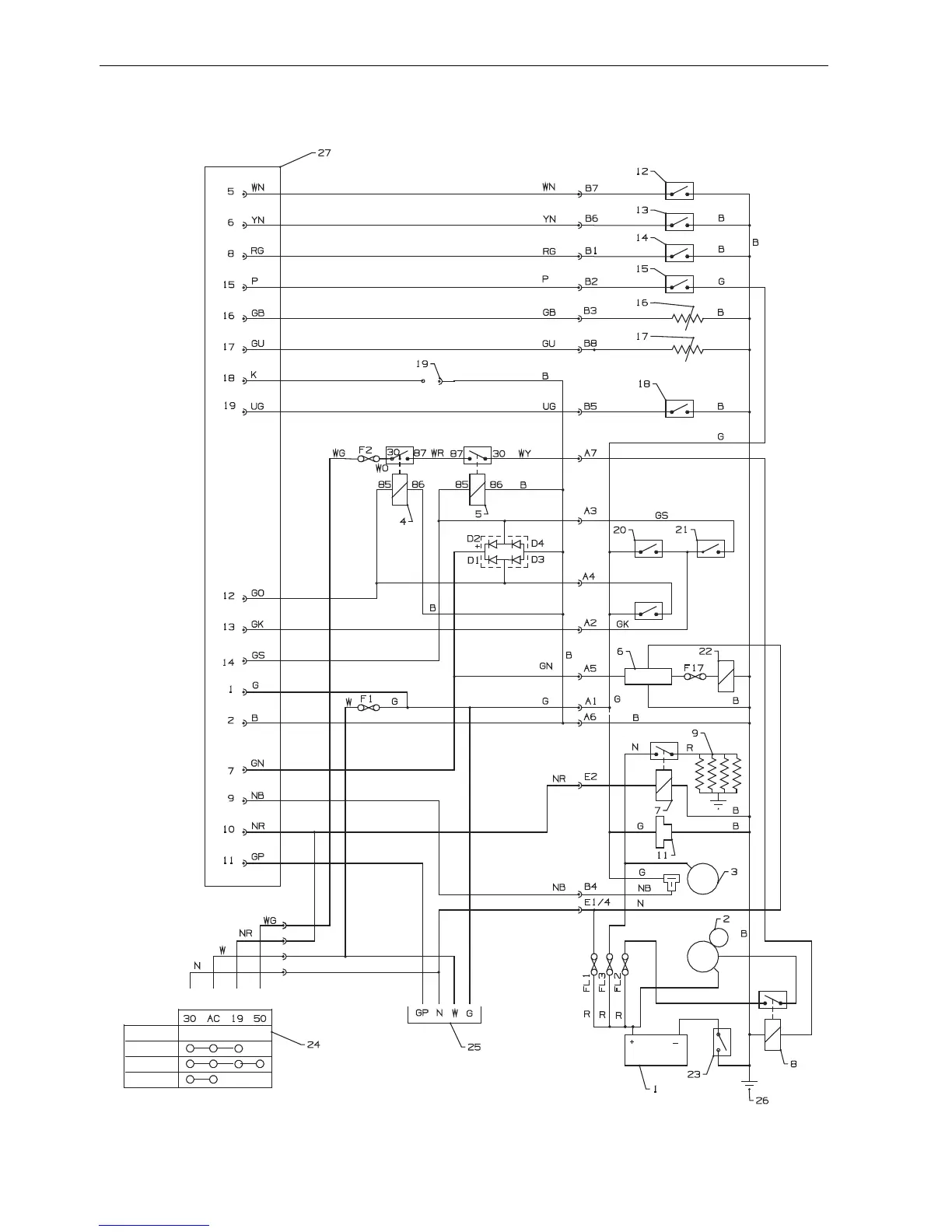
12 SCHEMATIQUE
12.2 CIRCUIT ELECTRIQUE DU MOTEUR ET CONSIGNES DE SECURITE
AFBRUDT
FORVARMNING
TØRNE
KØRSEL
T
ÆNDINGSLÅS DIAGRAM

Table of Contents

Other manuals for Ransomes Commander 3520

Related product manuals