EasyManua.ls Logo

Ransomes Commander 3520 - Electrical Circuit Lighting (Analogue Display Model)

Ransomes Commander 3520
186 pages
Print Icon
To Next Page IconTo Next Page
To Next Page IconTo Next Page
To Previous Page IconTo Previous Page
To Previous Page IconTo Previous Page
Loading...
en-78
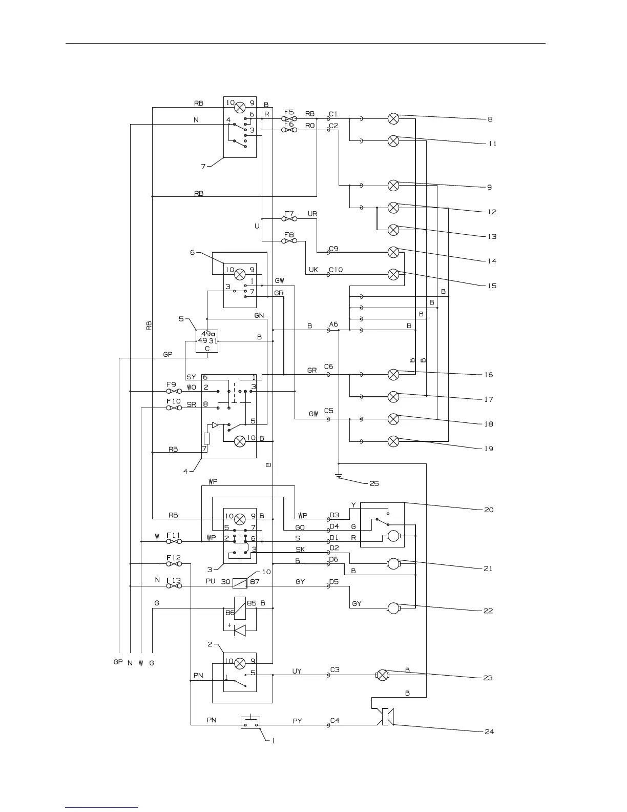
12 SCHEMATICS
12.3 ELECTRICAL CIRCUIT LIGHTING (ANALOGUE DISPLAY MODEL) ___________

Table of Contents

Other manuals for Ransomes Commander 3520

Related product manuals