EasyManua.ls Logo

Ransomes Commander 3520 - Electrical Circuit Engine and Safety

Ransomes Commander 3520
186 pages
Print Icon
To Next Page IconTo Next Page
To Next Page IconTo Next Page
To Previous Page IconTo Previous Page
To Previous Page IconTo Previous Page
Loading...
en-76
12 SCHEMATICS
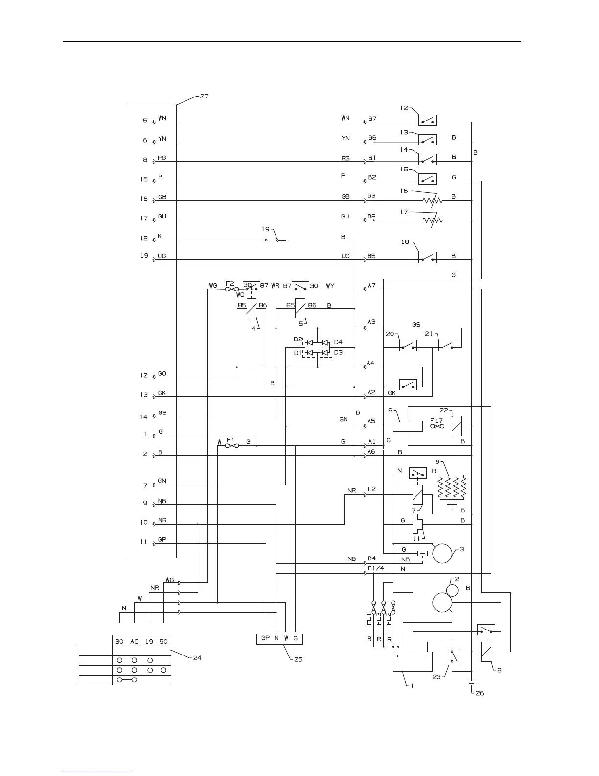
12.2 ELECTRICAL CIRCUIT ENGINE AND SAFETY (ANALOGUE DISPLAY MODEL)
AFBRUDT
FORVARMNING
TØRNE
KØRSEL
T
ÆNDINGSLÅS DIAGRAM

Table of Contents

Other manuals for Ransomes Commander 3520

Related product manuals