EasyManua.ls Logo

Ransomes Commander 3520 - Electrical Instrument Panel (Lcd Display Model)

Ransomes Commander 3520
186 pages
Print Icon
To Next Page IconTo Next Page
To Next Page IconTo Next Page
To Previous Page IconTo Previous Page
To Previous Page IconTo Previous Page
Loading...
en-82
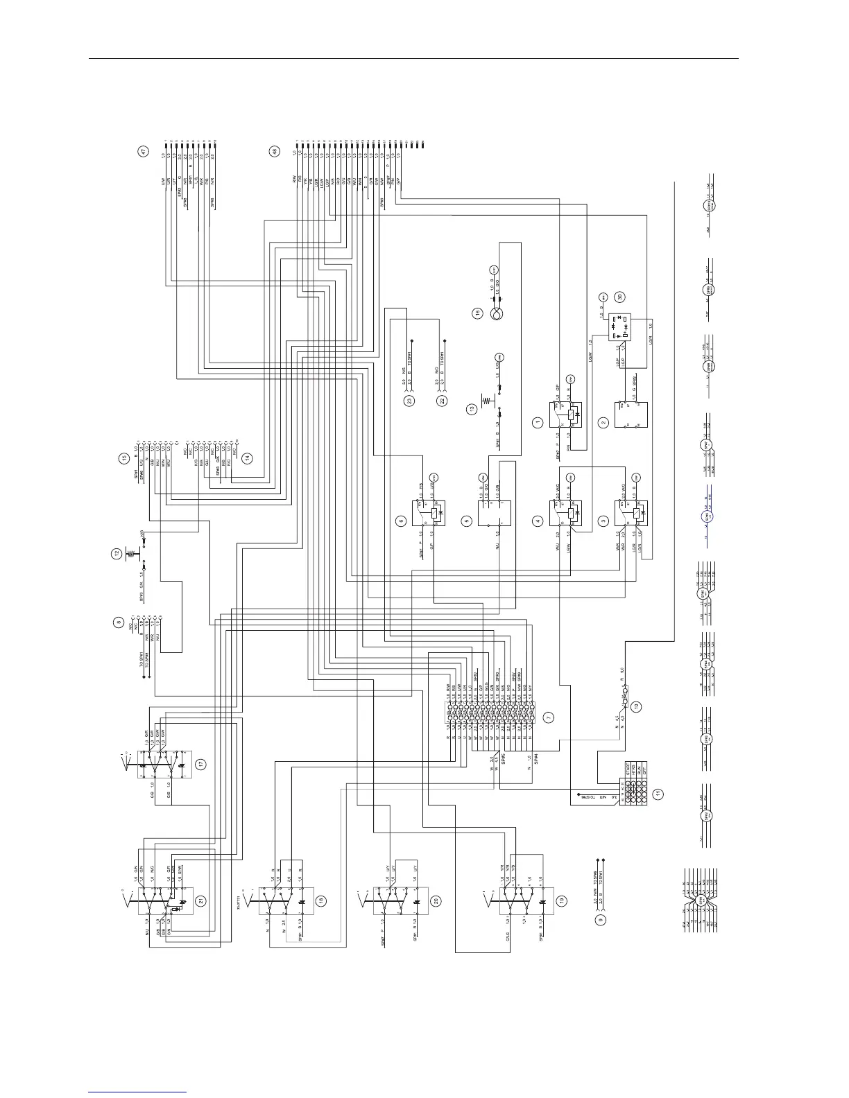
12 SCHEMATICS
12.5 ELECTRICAL INSTRUMENT PANEL (LCD DISPLAY MODEL)________________
GND
HØJ TEMPERATUR
+V-BATTERI
BRÆNDSTOFSENDER
START/OPVARMNING
OLIETRYKKONTAKT
HYDRAULIKFILTERKONTAKT
IKKE ANVENDT
IKKE ANVENDT
IKKE ANVENDT
AKTIVER KLARGØRING
AKTIVER TIMETÆLLER
TEMPERATURSENDER
IKKE ANVENDT
TÆNDINGSLÅS
GENERATOR
KONTAKT TIL PARKERINGSBREMSE
IKKE ANVENDT

Table of Contents

Other manuals for Ransomes Commander 3520

Related product manuals