EasyManua.ls Logo

Ransomes Commander 3520 - Electrical Circuit Main (Lcd Display Model)

Ransomes Commander 3520
186 pages
Print Icon
To Next Page IconTo Next Page
To Next Page IconTo Next Page
To Previous Page IconTo Previous Page
To Previous Page IconTo Previous Page
Loading...
en-84
12 SCHEMATICS
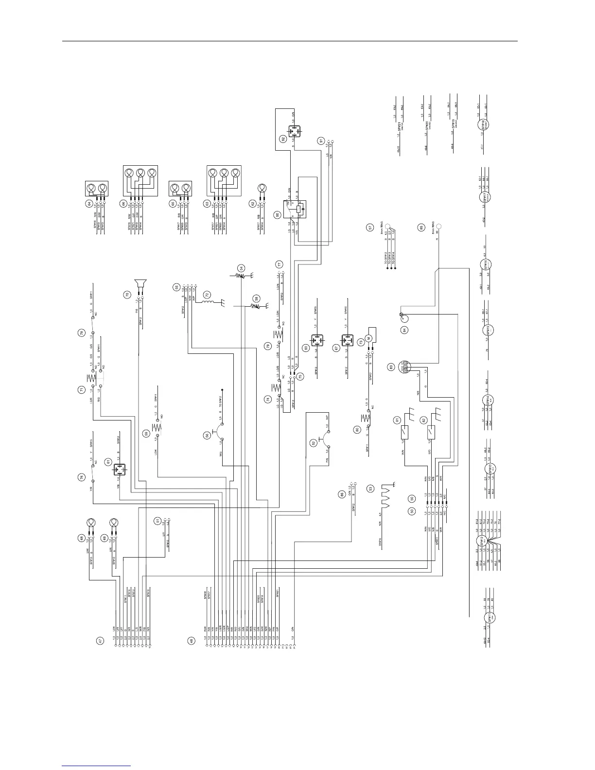
12.6 ELECTRICAL CIRCUIT MAIN (LCD DISPLAY MODEL) _____________________
VENSTRE FORLYGTE
HØJRE FORLYGTE
BLINKLYS
GLØDERØR
KLIPNINGSKONTAKTER
START
HORN
GLØDERØR
VENSTRE SIDE
HØJRE SIDE
KNAP TIL DIFFERENTIALELÅS
SOLENOIDE TIL 4-HJULSTRÆK
PARKERINGSBREMSE TIL RELÆ
SÆDEKONTAKTENS FORBINDELSESSTED
TIDSMÅLER I/P
GENERATORLAMPEEFFEKT
KONTAKTPOSITION FOR PARKERINGSBREMSE
MOTORENS TEMPERATURSENDER
TEMPERATURSENDER FOR BRÆNDSTOFSTAND
HYDRAULIKFILTERKONTAKT
OLIETRYKKONTAKT
KONTAKT FOR MOTORTEMPERATUR IKKE NØDVENDIG
VENSTRE INDIKATOR
HØJRE INDIKATOR
STOPSOL TIDSMÅLER
BREMSELYGTEKONTAKT 1
BREMSELYGTEKONTAKT 2
BREMSELYGTER
LUFTSÆDE

Table of Contents

Other manuals for Ransomes Commander 3520

Related product manuals