EasyManua.ls Logo

RED EPIC-M RED DRAGON - Chapter 6: Record and Monitor Audio

RED EPIC-M RED DRAGON
220 pages
Print Icon
To Next Page IconTo Next Page
To Next Page IconTo Next Page
To Previous Page IconTo Previous Page
To Previous Page IconTo Previous Page
Loading...
COPYRIGHT © 2015 RED.COM, INC
RED DSMC OPERATION GUIDE
955-0020_V6.0, REV-D | 138
OVERVIEW
The DSMC
®
can record up to two (2) discrete stereo channels of uncompressed 24-bit, 48 KHz audio. A Pro
I/O Module provides two (2) channels of microphone level or line level audio inputs, and up to four (4) digital
AES audio inputs. In total, the DSMC supports eight (8) incoming audio channels, and can record up to four (4)
audio channels.
Input signals are routed via a high-quality pre-amplifier and soft clip analog limiter (the limiter is optional) to
achieve the desired recording levels and maximize dynamic range.
Audio data is synchronized with video and timecode and embedded in the R3D
®
file. You can export audio data
from REDCINE-X PRO
®
as separate audio files.
Audio is also embedded in any HD-SDI and HDMI output connected to the DSMC BRAIN
®
.
For more information about using the Pro I/O Module, see the Pro I/O Operation Guide, available at www.red.
com/downloads.
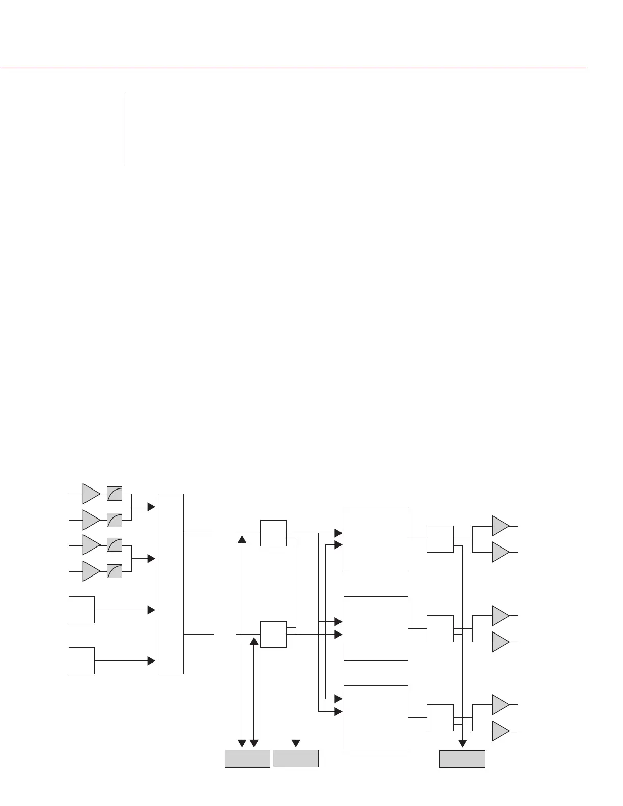
AUDIO DATA PATH
The diagram below shows how the DSMC records and outputs audio.
AUDIO DATA PATH
ANALOG INPUT GAIN /
MODE / LIMITER
CHANNEL
SELECTION
PEAK
ANALYSIS
DIGITAL
OUTPUT MIXER
ANALOG
OUTPUT GAIN
PEAK
4 CH TO 2 CH
MIXER
CAM
ANALOG 1
CAM
HEADPHONE L
CAM
HEADPHONE R
PRO I/O
LINE 1
PRO I/O
LINE 2
MONITOR
LINE 1
MONITOR
LINE 2
CAM
ANALOG 2
PRO I/O
ANALOG 1
PRO I/O
ANALOG 2
PRO I/O
AES 1
PRO I/O
AES 2
PRO I/O
AES 3
PRO I/O
AES 4
INPUT CHANNEL MAPPING
4 CH TO 2 CH
MIXER
4 CH TO 2 CH
MIXER
PEAK
PEAK
PEAK
PEAK
CH 1/2
CH 3/4
R3D
RECORDING
PRE-MIXER
PEAK METER
POST-MIXER
PEAK METER
06
RECORD AND
MONITOR AUDIO

Table of Contents