EasyManua.ls Logo

RED WEAPON Series - WEAPON;SCARLET-W BRAIN Dimensions

RED WEAPON Series
200 pages
Print Icon
To Next Page IconTo Next Page
To Next Page IconTo Next Page
To Previous Page IconTo Previous Page
To Previous Page IconTo Previous Page
Loading...
RED DSMC OPERATION GUIDE: WEAPON/SCARLET-W
COPYRIGHT © 2016 RED.COM, INC 955-0116_V6.1, REV-U | 167
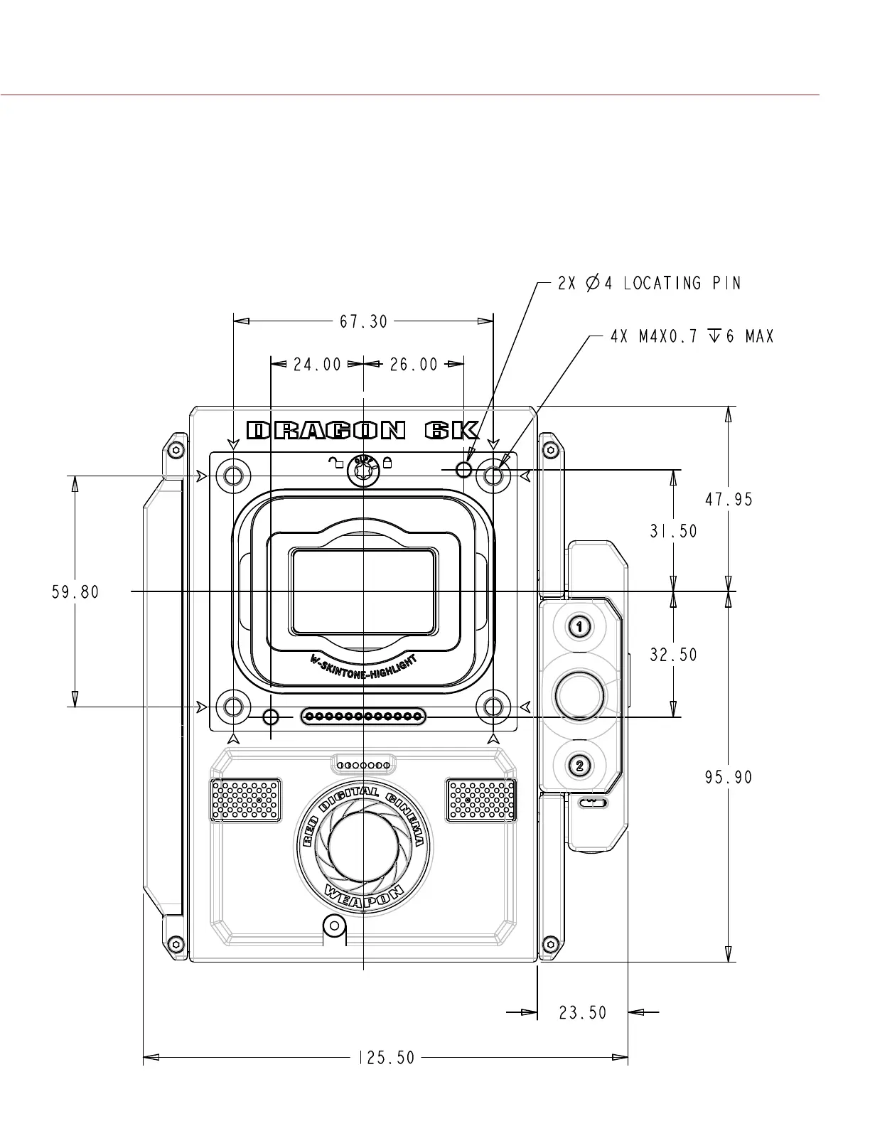
WEAPON/SCArLET-W brAiN DiMENSiONS
NOTE: Dimensions are shown in mm.
The optical axis height of the camera is 95.90 mm. WEAPON and SCARLET-W have identical BRAIN dimensions.
The mechanical drawings in this section are of WEAPON.
FrONT ViEW

Table of Contents

Related product manuals