EasyManua.ls Logo

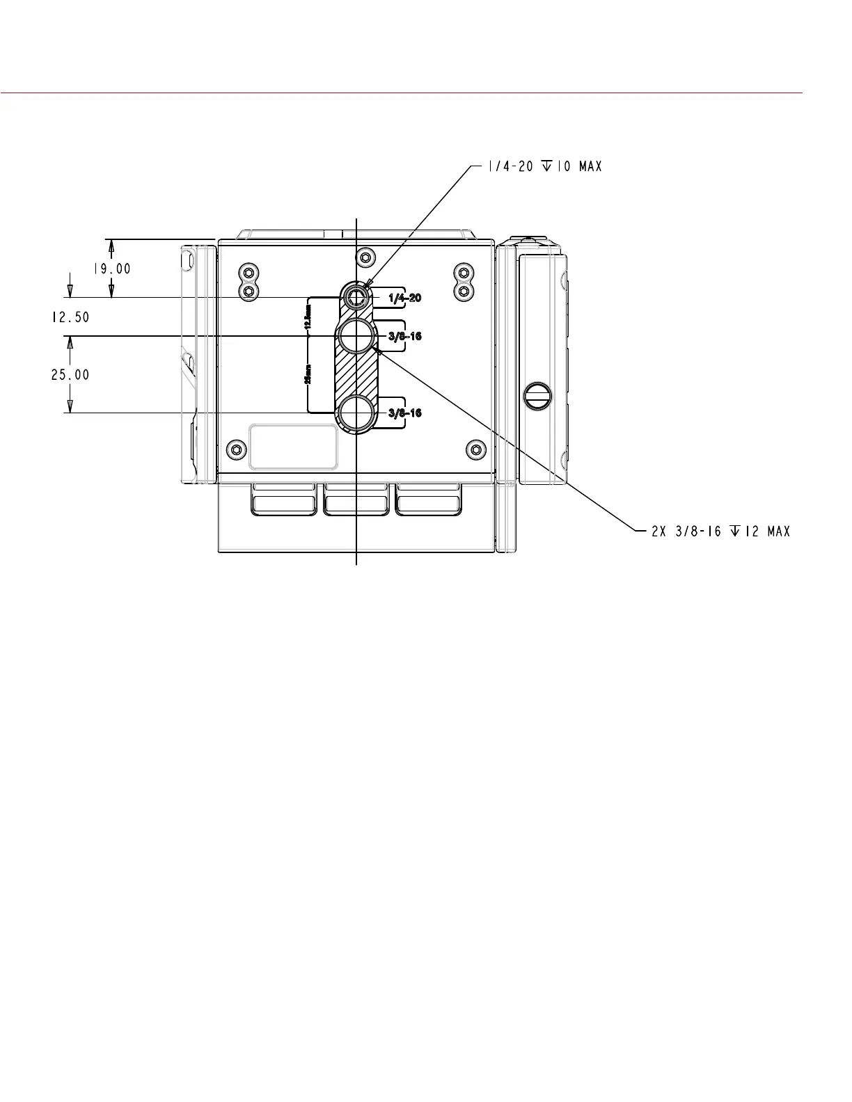
RED WEAPON Series - Bottom View

RED WEAPON Series
200 pages
Print Icon
To Next Page IconTo Next Page
To Next Page IconTo Next Page
To Previous Page IconTo Previous Page
To Previous Page IconTo Previous Page
Loading...
COPYRIGHT © 2016 RED.COM, INC
RED DSMC OPERATION GUIDE: WEAPON/SCARLET-W
955-0116_V6.1, REV-U | 172
bOTTOM ViEW

Table of Contents

Related product manuals