EasyManua.ls Logo

Regency P36E-NG4 - Page 32

Regency P36E-NG4
72 pages
Print Icon
To Next Page IconTo Next Page
To Next Page IconTo Next Page
To Previous Page IconTo Previous Page
To Previous Page IconTo Previous Page
Loading...
P36E-4 Zero Clearance Direct Vent Gas Fireplace
32
Diagram 3
Diagram 5
Diagram 1
Diagram 2
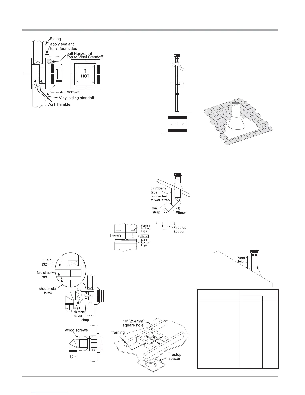
NOTE: For best results and optimum perform-
ance with each approved venting system, it
is highly recommended to apply “Mill-Pac”
sealant (supplied) to every inner pipe connec-
tion. Failure to do so may result in drafting
or performance issues not covered under
warranty. Silicone (red RTV) is optional.
Diagram 5
Diagram 6
DURA-VENT VERTICAL
TERMINATIONS
1) Maintain the 1-1/4" clearances
(air spaces) to combustibles
when passing through ceilings,
walls, roofs, enclosures,
attic rafter, or other nearby
combustible surfaces. Do not
pack air spaces with insulation.
Check for the maximum vertical
rise of the venting system and
the maximum horizontal offset
limitations.
2) Set the gas appliance in
its desired location. Drop
a plumb bob down from
the ceiling to the position
of the appliance ue exit,
and mark the location
where the vent will penetrate the ceiling. Drill
a small hole at his point. Next, drop a plumb
bob from the roof to the hole previously drilled
in the ceiling, and mark the spot where the
vent will penetrate the roof. Determine if
ceiling joists, roof rafters or other framing
will obstruct
the venting
system. You may
wish to relocate
the appliance
or to offset,
as shown in
Diagram 2 to
avoid cutting
load bearing
members.
Diagram 7
Note: If installing termination on a siding
covered wall, a vinyl siding standoff
or furring strips must be used to
ensure that the termination is not
recessed into the siding.
7) Before connecting the horizontal run of vent
pipe to the vent termination, slide the Wall
Thimble over the vent pipe.
8) Slide the appliance and vent assembly
towards the wall carefully inserting the
vent pipe into the vent cap assembly. It is
important that the vent pipe extends into
the vent cap suf cient distance so as to
result in a minimum pipe overlap of 1-1/4
inches. Secure the connection between the
vent pipe and the vent cap by attaching the
two sheet metal strips extending from the
vent cap assembly into the outer wall of the
vent pipe. Use the two sheet metal screws
provided to connect the strips to the pipe
section. See Diagram 6.
9) Install wall thimble in the center of the 10"
square and attach with wood screws
(Diagram 7).
3) A Firestop spacer must be installed in the
oor or ceiling of every level. To install the
Firestop spacer in a at ceiling or wall, cut
a 10 inch square hole. Frame the hole as
shown in Diagram 3 and install the restop.
4) Assemble the desired lengths of pipe and
elbows. Ensure that all pipes and elbow
connections are in the fully twist-locked
position and sealed.
5) Cut a hole in the roof centered on the small
drilled hole placed in the roof in Step 2. The
hole should be of suf cient size to meet
the minimum requirements for clearance
to combustibles of 1-1/2". Slip the ashing
under the shingles (shingles should overlap
half the ashing) as per Diagram 4.
Roof Pitch Minimum Vent Height
Feet Meters
at to 7/12 2 0.61
over 7/12 to 8/12 2 0.61
over 8/12 to 9/12 2 0.61
over 9/12 to 10/12 2.5 0.76
over 10/12 to 11/12 3.25 0.99
over 11/12 to 12/12 4 1.22
over 12/12 to 14/12 5 1.52
over 14/12 to 16/12 6 1.83
over 16/12 to 18/12 7 2.13
over 18/12 to 20/12 7.5 2.29
over 20/12 to 21/12 8 2.44
Diagram 4: The upper half of the ashing is
installed under the roo ng material and not
nailed down until the chimney is installed.
This allows for small adjustments.
6) Continue to assemble pipe lengths.
Note: If an offset is necessary in the attic
to avoid obstructions, it is important
to support the vent pipe every 3 feet,
to avoid excessive stress on the
elbows, and possible separation.
Wall straps are available for this
purpose (Diagram 2).
Galvanized pipe is desirable above the
roo ine due to its higher corrosion resistance.
Continue to add pipe sections through the
ashing until the height of the vent cap meets
the minimum height requirements speci ed
in Diagram 5 or local codes. Note that for
steep roof pitches, the vertical height must
INSTALLATION

Table of Contents

Related product manuals