EasyManua.ls Logo

Renishaw APCA Series - APCS with Air Bleed (Circuit 3)

Renishaw APCA Series
52 pages
Print Icon
To Next Page IconTo Next Page
To Next Page IconTo Next Page
To Previous Page IconTo Previous Page
To Previous Page IconTo Previous Page
Loading...
20
Bulkhead
V2
V1
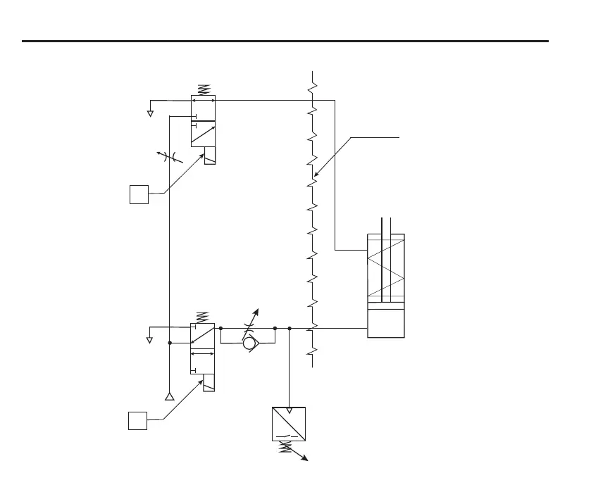
APCS with “air bleed” (circuit 3)
Pneumatic set-up (continued)

Table of Contents

Related product manuals