EasyManua.ls Logo

Renishaw APCA Series - APCS with no Air Bleed (Circuit 4); Operation Sequence (Circuit 4)

Renishaw APCA Series
52 pages
Print Icon
To Next Page IconTo Next Page
To Next Page IconTo Next Page
To Previous Page IconTo Previous Page
To Previous Page IconTo Previous Page
Loading...
22
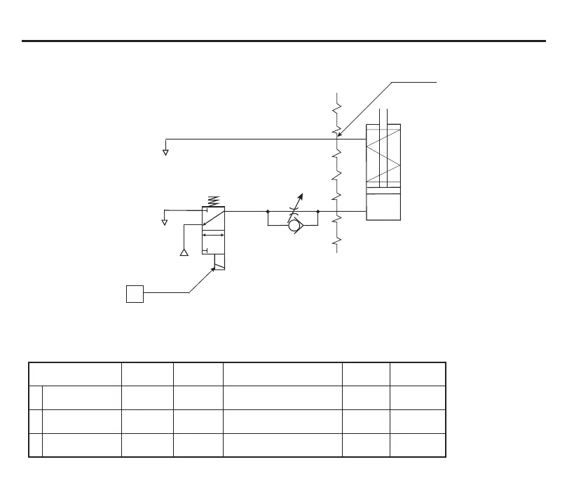
Pneumatic set-up (continued)
Operation sequence (circuit 4)
Operation
sequence
Stylus Solenoid
valve
End of sequence trigger Monitor Variable to
set
1 Cover extend Protected 0 Pressure switch activation Pressure
switch
Time
2 Cover retract Accessible 1 Retract sensor Retract
sensor
1 Cover extend Protected 0 Pressure switch activation Pressure
switch
Time
Bulkhead
V1
APCS with no “air bleed” (circuit 4)

Table of Contents

Related product manuals