EasyManua.ls Logo

RichAuto A122 - Page 19

Default Icon
55 pages
Print Icon
To Next Page IconTo Next Page
To Next Page IconTo Next Page
To Previous Page IconTo Previous Page
To Previous Page IconTo Previous Page
Loading...
Add: 5F
, No.4 building, No 4. Yard, life Rd, life science park,
Tel010-53275118 Fax
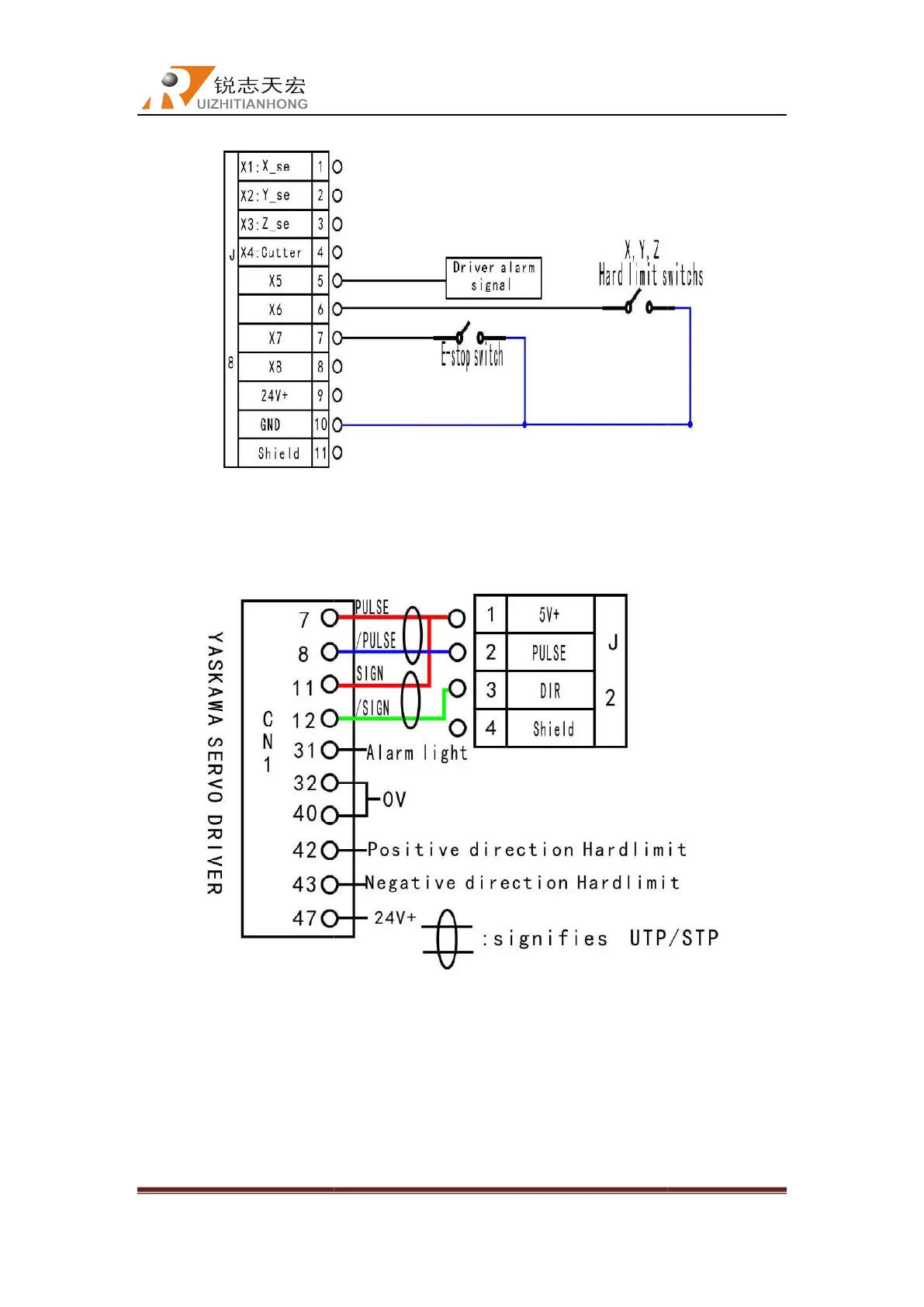
3. X5
to X7 signals: X5 Driver alarm, X6 hard limit, X7 E
Output signal terminal
J2
X pulse signal wiring
Servo driver:
Beijing RichAuto S&T Co., Ltd
, No.4 building, No 4. Yard, life Rd, life science park,
Beiqing St., Changping d
ist.
010-53275110/53275111 Web site
www.richnc.com.cn
to X7 signals: X5 Driver alarm, X6 hard limit, X7 E
-
stop port wiring example
Output signal terminal
X pulse signal wiring
(wiring method of
Y and Z are the same as X axis’)
Beijing RichAuto S&T Co., Ltd
ist.
Beijing, China
www.richnc.com.cn
15
stop port wiring example
Y and Z are the same as X axis’)

Related product manuals