EasyManua.ls Logo

RichAuto A122 - Page 20

Default Icon
55 pages
Print Icon
To Next Page IconTo Next Page
To Next Page IconTo Next Page
To Previous Page IconTo Previous Page
To Previous Page IconTo Previous Page
Loading...
Add: 5F
, No.4 building, No 4. Yard, life Rd, life science park,
Tel010-53275118 Fax
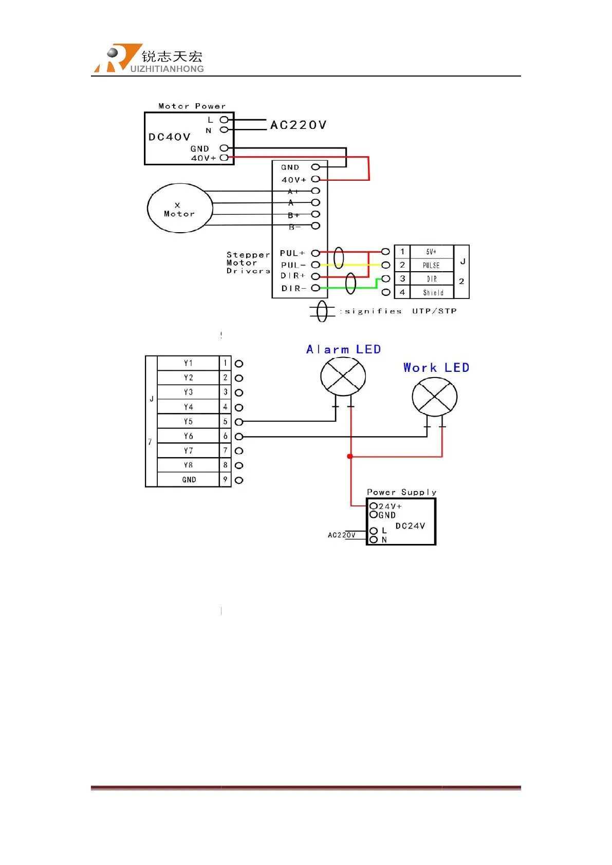
Stepper driver
J7
output port Y6: run light
The dsp controller would be completely connected to cnc machine while
finished above all wiring procedures.
Beijing RichAuto S&T Co., Ltd
, No.4 building, No 4. Yard, life Rd, life science park,
Beiqing St., Changping d
ist.
010-53275110/53275111 Web site
www.richnc.com.cn
output port Y6: run light
(work LED) wiring:
The dsp controller would be completely connected to cnc machine while
finished above all wiring procedures.
Beijing RichAuto S&T Co., Ltd
ist.
Beijing, China
www.richnc.com.cn
16
The dsp controller would be completely connected to cnc machine while
you

Related product manuals