EasyManua.ls Logo

Riello 464T2 - Collegamenti Elettrici

Riello 464T2
Print Icon
To Next Page IconTo Next Page
To Next Page IconTo Next Page
To Previous Page IconTo Previous Page
To Previous Page IconTo Previous Page
Loading...
20025319
5
I
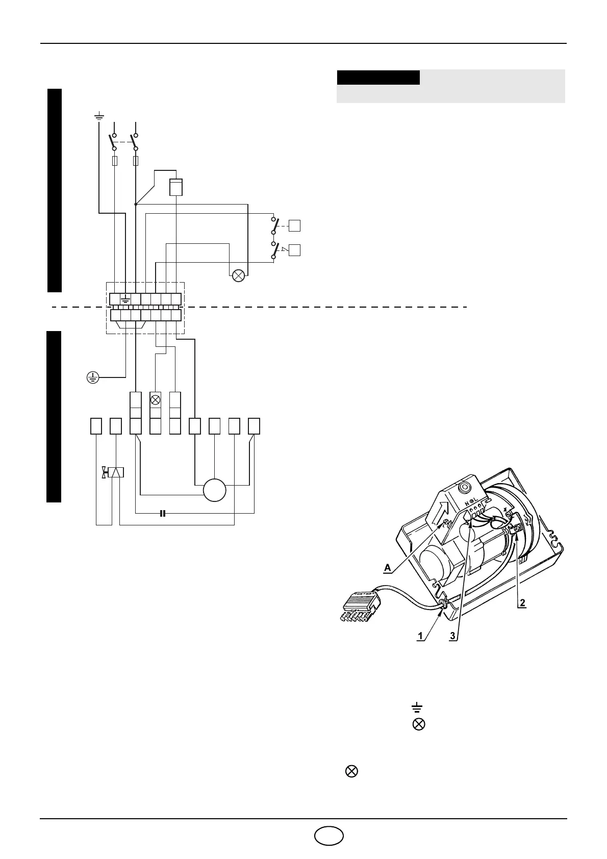
COLLEGAMENTI ELETTRICI
6A
max.
M
~
230V ~ 50Hz
LN
1NT1T2S3B4
12
T
T
3456789
NL
h
Marrone
Bianco
Blu
Motore
Condensatore
Termostato
Neutro
Nero
ESEGUITO IN FABBRICA
Blu
Marrone
Valvola
D5334
Nero
ATTENZIONE
Non scambiare il neutro con la fase.
Termostato limite
Segnalazione di blocco a distanza
(230V - 0,5A max.), se richiesto
Morsettiera
apparecchiatura
530SE
*
Interruttore con fusibile
ESEGUITO DALL’INSTTALLATORE
Spina 7 poli
Presa 7 poli
Contaore
(50V)
con ripristino manuale
di regolazione
Blu
Nero
Marrone
Grigio
NOTE:
Sezione dei conduttori: min. 1 mm
2
.
(Salvo diverse indicazioni di norme e leggi locali).
I collegamenti elettrici eseguiti dall’installatore devono
rispettare le norme vigenti nel paese.
COLLAUDO
Verificare l’arresto del bruciatore aprendo i termostati.
APPARECCHIATURA:
Per togliere l’apparecchiatura dal bru-
ciatore; allentare la vite (A) (vedi figura)
e tirare nel senso della freccia.
Il sensore fiamma è montato direttamente
nell’apparecchiatura (sotto il trasformatore
di accensione) su un supporto ad innesto
rapido.
S7183
PERCORSO DEL CAVO ELETTRICO
1 - Passacavo N - Neutro
2 - Fissacavo L - Fase
3 - Morsettiera - Terra bruciatore
- Spia di blocco
ATTENZIONE
Non collegare la messa a terra del bruciatore al ter-
minale dell'indicatore di guasto. Ciò potrebbe
causare la distruzione dell’apparecchiatura.
Giallo/
Verde

Related product manuals