EasyManua.ls Logo

ryan GA 24 - Clutch Parts

Default Icon
72 pages
Print Icon
To Next Page IconTo Next Page
To Next Page IconTo Next Page
To Previous Page IconTo Previous Page
To Previous Page IconTo Previous Page
Loading...
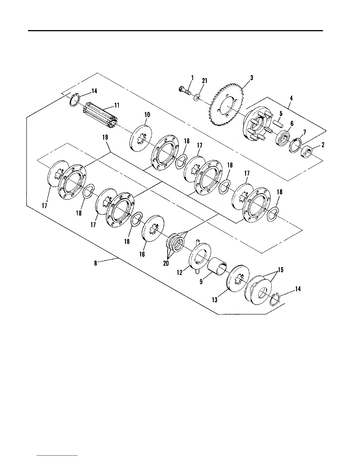
8.2 CLUTCH
32

Related product manuals