EasyManua.ls Logo

Sam4s ER-250RF - Page 21

Sam4s ER-250RF
60 pages
Print Icon
To Next Page IconTo Next Page
To Next Page IconTo Next Page
To Previous Page IconTo Previous Page
To Previous Page IconTo Previous Page
Loading...
4 Disassembly and Assembly
SAM4S ER-350 SERIES 4-3
4-1 Disassembling the Case Upper Block
4-1-2 ERP-200N Printer Disassembling
RF Holder
Gear RF
Bever-1
Gear RF
Gear 2nd Reductio
n
RE(2.
5)
RE(2.
5)
Gear 1st Reduction
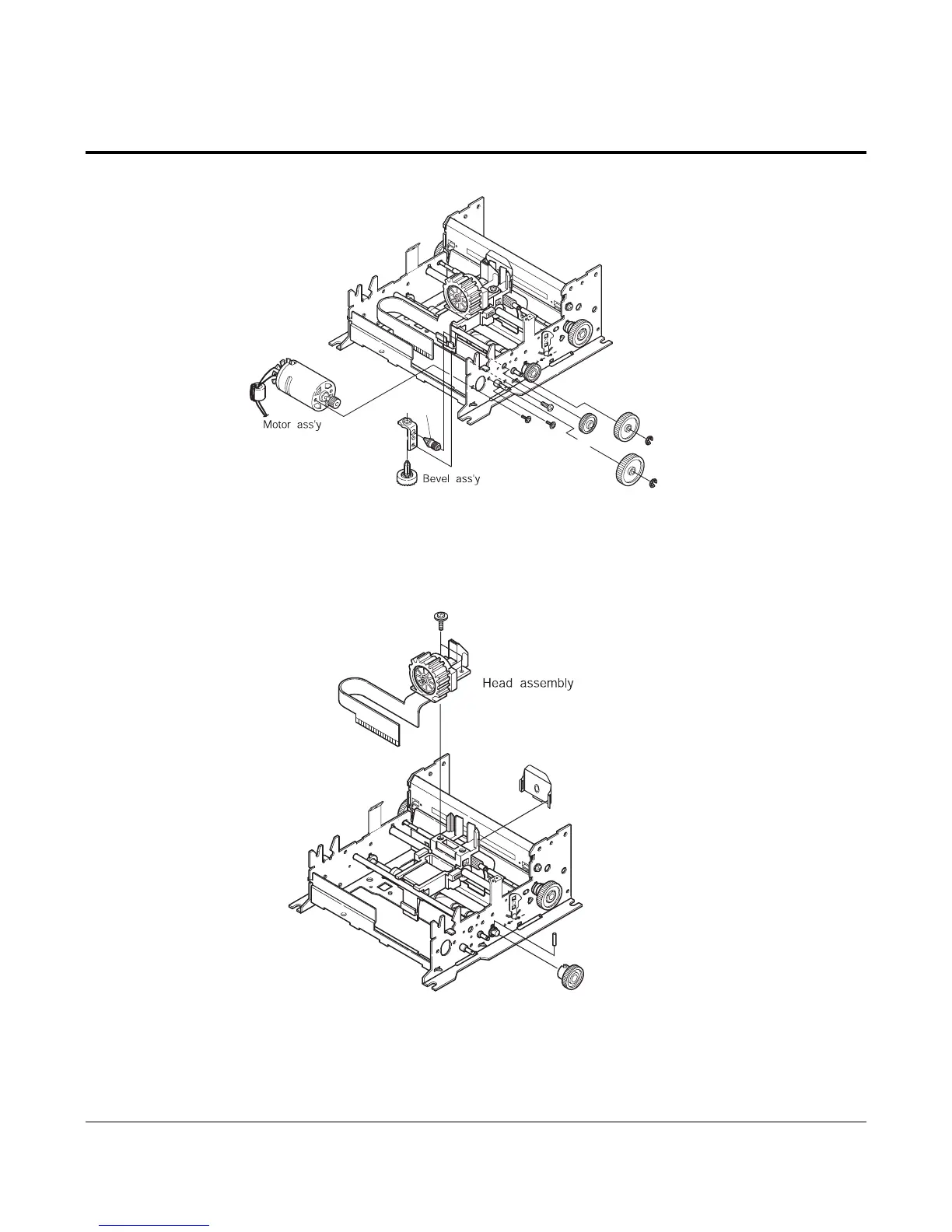
Figure 4-5 Separating Ribbon Feed Block
11.Disassemble the Gear 1
st
Reduction. The Gear 2
nd
Ruction. Disassembly the Gear RF and the Motor Assembly from
the Frame Assembly.(Figure4-5)
12.Remove the screws to separate the Bevel Assembly and disassemble the Gear RF Bevel-1 through the hole in the
Frame Assembly. (Figure4-5)
Head Pin Guid
e
Gear HF-1
SP
Figure 4-6. Separating Head Feed Block
13. Remove the 2 screws of the Head Assembly. Lever and disassemble the Head Assembly.(Figure4-6)
14. After remove the screws disassemble the spacer and the Head Pin Guide in the Head Carriage Assembly. (Figure4-6)
15. After separating the Gear HF-1. remove the SP in the right side hole in the Lead Cam. (Figure4-6)

Related product manuals