EasyManua.ls Logo

Sam4s ER-380F - Special Circuit Descriptions; Power Circuit

Sam4s ER-380F
110 pages
Print Icon
To Next Page IconTo Next Page
To Next Page IconTo Next Page
To Previous Page IconTo Previous Page
To Previous Page IconTo Previous Page
Loading...
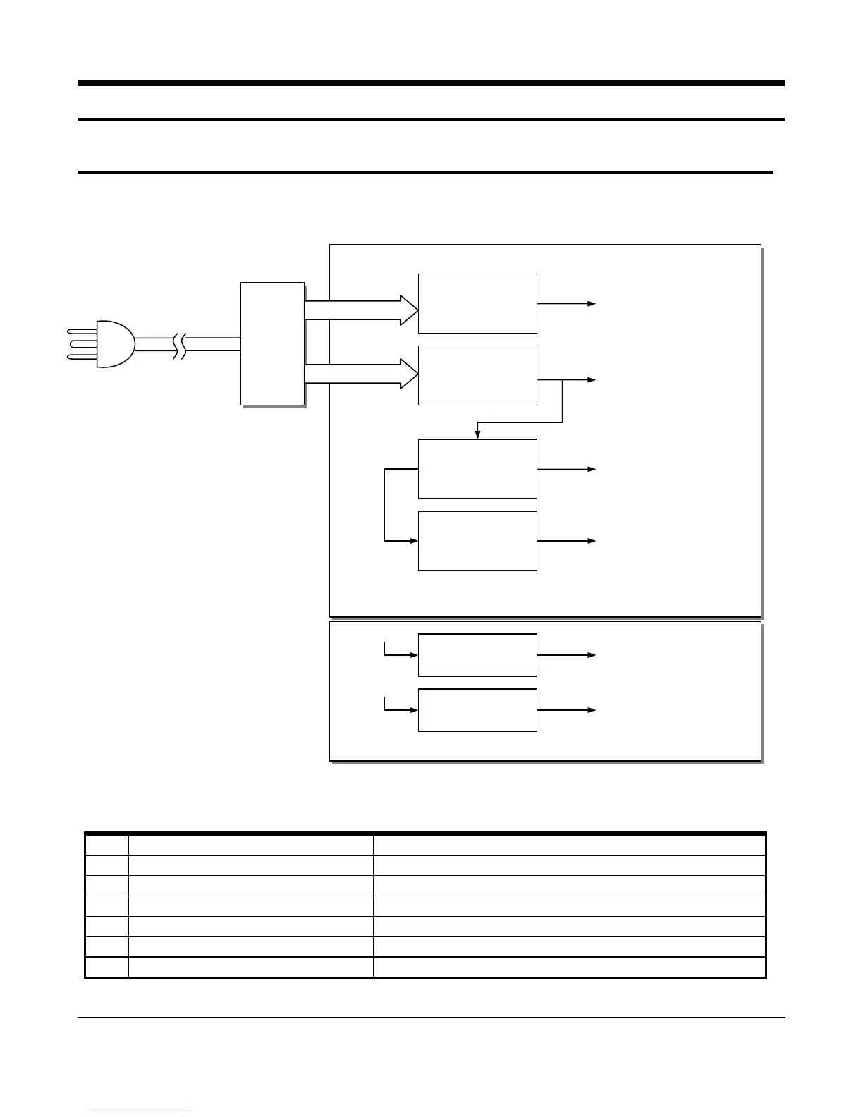
SAM4S ER-380M/F SERIES 7-1
7 Special Circuit Descriptions
7-1 Power Circuit
This system is operated under 120Vac or 230Vac. All data is saved by the Battery when the Main power is turned off.
The power circuit supplies the five different DC voltage sources and one AC voltage source.
Figure 7-1 Power Block Diagram
No. Voltage Description
1 VDISP (+30VDC) VFD Grid/Anode Driving Voltage
2 VDRV (+24VDC) Cash Drawer Solenoid Driving / Fiscal Writing Voltage
3 VCC (+5VDC) Logic IC Driving / VFD Filament Voltage
4 VPRT (+8.5VDC) Thermal Printer Step Motor.
5 VPH (+8.5VDC) Thermal Printer Head Driving Voltage
6 VBT (+Min 3.6VDC) Battery Voltage
Table 7-1 Power Source Voltage Descriptions
POWER
TRANS
Power
Rectification
Circuit #1
VDISP(+30V)
VDRV(+24V)
Power
Rectification
Circuit #2
[For Drawer, Fiscal Volt.]
[Power Fail Source]
[For VFD Display]
Voltage
Regulation
Circuit #2
VPRT(+8.5V)
[For Printer LF Motor]
[For Spool Motor]
[For VPH Source]
Voltage
Regulation
Circuit #1
VCC(+5V)
[For Logic, VFD]
TPH Supply Volt.
On/Off Circuit
VPRT(+8.5V)
VPH(+8.5V)
[For TPH Voltage]
Battery Volt.
Storage Circuit
VCC(+5.0V)
VBT(+Min 3.6.V)
[For Battery Voltage]

Related product manuals