EasyManua.ls Logo

Samson TROVIS 6400 - Switching Outputs Y1 and Y2

Samson TROVIS 6400
38 pages
Print Icon
To Next Page IconTo Next Page
To Next Page IconTo Next Page
To Previous Page IconTo Previous Page
To Previous Page IconTo Previous Page
Loading...
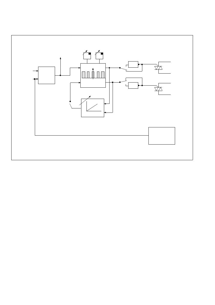
5. Switching outputs
Y1
and
Y2
Depending on how configuration block
Y
was selected, the output signal is defined in
TROVIS 6494
as either a three-step or on-off output signal and/or limit contacts.
Fig. 8 Switching outputs
X
W
t1
Y=1
tH td
Y1C
Y2C
1
Y1
Y2
PID
Y=1,2
Y
PID
YR
1
Continuous-action
controller section
Positioner
Switching outputs
Internal feedback
Motor operating time t1
X-Value for recorder input
X-Recorder
0(4) to 20 mA
24

Table of Contents