EasyManua.ls Logo

Scania 2.1 - System overview; Classified control system

Scania 2.1
32 pages
Print Icon
To Next Page IconTo Next Page
To Next Page IconTo Next Page
To Previous Page IconTo Previous Page
To Previous Page IconTo Previous Page
Loading...
System overview
OPM 520 en-GB 4
© Scania CV AB 2018, Sweden
System overview
Classified control system
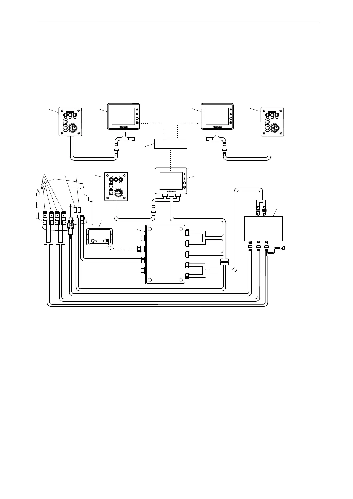
The illustration shows an example of a control system that is prepared for classification.
1
2
2
3
1
4
8
7
6
5
1
9
10
402 114
1. Control panel (option).
2. Auxiliary display (RP, option).
3. Network switch (option).
4. Main display (DCU).
5. Safety device unit (SDU).
6. Junction box.
7. Gateway (option).
8. Monitors on the engine required for classification.
9. Sensor for checking fuel leakage (classified engines with XPI).
10. Sensor for checking water in fuel (engines with XPI).