EasyManua.ls Logo

Schwank S100 - Page 63

Schwank S100
66 pages
Print Icon
To Next Page IconTo Next Page
To Next Page IconTo Next Page
To Previous Page IconTo Previous Page
To Previous Page IconTo Previous Page
Loading...
63
S100-F / ITB-F I&O Manual
IM101230
RD: JAN 2014
RL: 9A
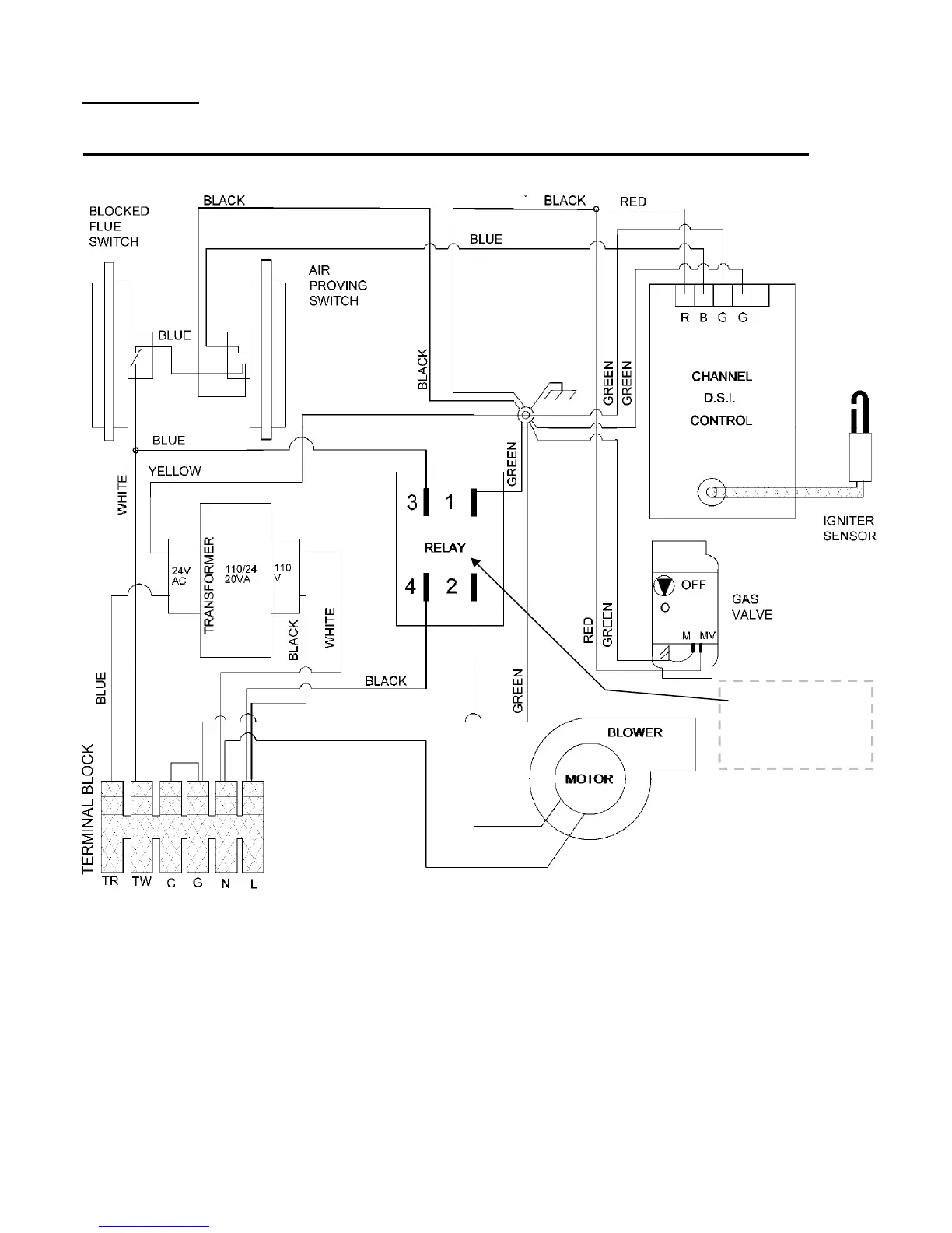
CHANNEL MICRO 50N: WIRING : 24 V THERMOSTAT CONTROL SINGLE BURNER
(120V Thermostat - previous page)
Each tube heater requires 120V, 60 HZ electrical power sized for 145VA. The 24V/120V re-
lay switch shown above is an option (JS-0568-KT) that is field installed. Maximum power flow
for internal 24V burner components is 21VA.
The heater must be electrically grounded in accordance with the National Electrical Code.
ANSI / NFPA 70 or current Canadian Electrical code CSA C22.1.
A maximum night set-back of 9°F (5°C) is recommended for optimum economy and comfort.
To maintain satisfactory comfort levels do not turn off the heating system over night/weekends.
Field installed
option: Relay Kit
JS-0568-KT
Maximum Power Flow = 21VA
OTHER DSI’s: FENWAL SEE PAGE 35; HONEYWELL S87J - PAGES 59 - 61

Table of Contents

Related product manuals