EasyManua.ls Logo

Schwank S100 - Spark Igniter Set Up

Schwank S100
66 pages
Print Icon
To Next Page IconTo Next Page
To Next Page IconTo Next Page
To Previous Page IconTo Previous Page
To Previous Page IconTo Previous Page
Loading...
39
S100-F / ITB-F I&O Manual
IM101230
RD: JAN 2014
RL: 9A
USE THE BLACK BARS BELOW AS A GUIDE FOR AD-
JUSTMENT. USE THE BARS THAT COINCIDE WITH
THE FORMAT & SIZE OF THIS PUBLICATION .
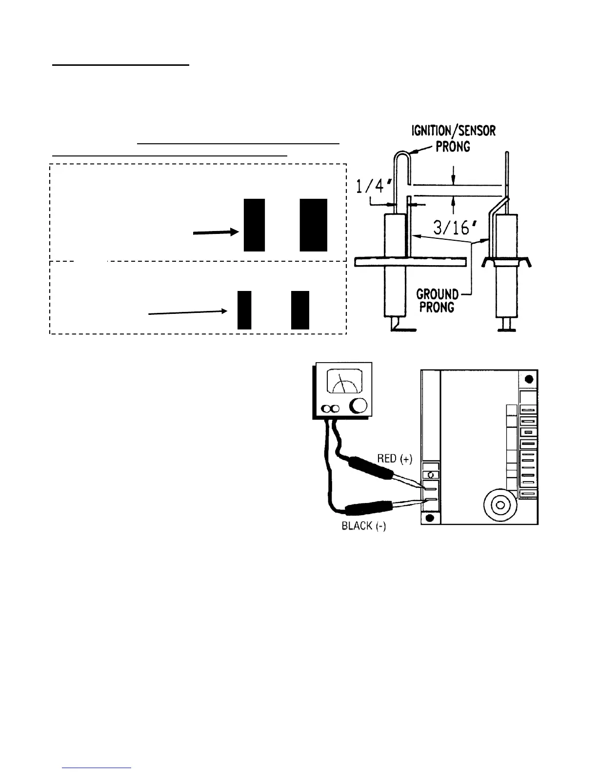
SPARK IGNITER SET UP
Use the following diagram to check the Igniter gap. If the gap is incorrect all adjustments
should be made to the GROUND PRONG/PIN ONLY! DO NOT BEND THE IGNITER
PRONG!!!!
3/16”
1/4”
3/16” 1/4”
IF
this manual is in
8.5” x 11” “booklet” format
(pages folded in half)
then use these bars
IF this manual is printed
8.5” x 11” “full page” format
use these bars
OR
ADJUST
SERVICE CHECKS
Flame current passes through the flame from
the sensor to ground. The minimum flame cur-
rent necessary to keep the system from lock-
out is 0.7 microamps. To measure flame cur-
rent, connect an analog DC microammeter to
the FC- FC+ terminals per figure at right.
Meter should read 0.7 µA or higher. If the me-
ter reads below “0” on scale, meter leads are
reversed. Disconnect power and reconnect
meter leads for proper polarity.
FC- FC+
Use Microamp
scale
Multipurpose Meter

Table of Contents

Related product manuals