EasyManua.ls Logo

Shark 600 - Electric System

Shark 600
181 pages
Print Icon
To Next Page IconTo Next Page
To Next Page IconTo Next Page
To Previous Page IconTo Previous Page
To Previous Page IconTo Previous Page
Loading...
Section 7
Airplane Description
FLIGHT MANUAL
SHARK 600
7-24
Doc. No.: SHARK600_MA_075
2024-02-23
Rev. C
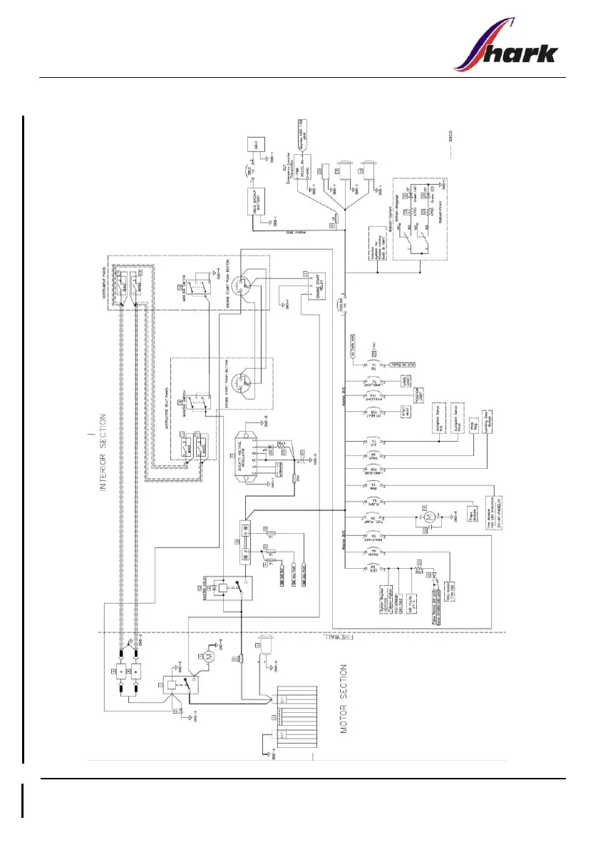
7.5 Electric system
.

Table of Contents

Related product manuals